Оценка эффективности замены одного силового трансформатора на два в однотрансформаторных подстанциях 10/0,4 кВ при сезонной нагрузке
Автор: Виноградова А.В., Виноградов А.В., Сорокин Н.С.
Журнал: Вестник Мурманского государственного технического университета @vestnik-mstu
Рубрика: Электротехника. Электротехнические комплексы и системы
Статья в выпуске: 4-1 т.28, 2025 года.
Бесплатный доступ
Оценка эффективности замены одного силового трансформатора на два в однотрансформаторных подстанциях 10/0,4 кВ при сезонной нагрузке выполнялась на примере замены трансформатора 100 кВА. Рассматривалась установка двух трансформаторов с мощностями 40 и 40 кВА; 40 и 63 кВА; 63 и 63 кВА. Оценивались эффекты от сокращения потерь электроэнергии в зависимости от коэффициентов загрузки трансформаторов и от повышения надежности электроснабжения потребителей. Сравнивались варианты схем однотрансформаторной неавтоматизированной, автоматизированной подстанции и автоматизированной подстанции с двумя трансформаторами. Разработана методика оценки эффективности вариантов. Наиболее рациональным в рассмотренном примере стал вариант замены на два трансформатора 63 и 63 кВА. В нем достигается эффект сокращения потерь электроэнергии при среднегодовом коэффициенте загрузки трансформатора 100 кВА, равном или меньшем 0,35, а также при коэффициенте загрузки трансформатора 100 кВА, равном или большем 0,55. Эффект повышения надежности заключается в сокращении времени перерывов в электроснабжении потребителей с 9,44 до 0,79–1,33 ч/год в зависимости от объема потребляемой электроэнергии от трансформаторных подстанций.
Энергоэффективность, надежность электроснабжения, трансформаторная подстанция, потери электроэнергии, силовой трансформатор, замена трансформатора, сезонная нагрузка
Короткий адрес: https://sciup.org/142246566
IDR: 142246566 | УДК: 621.316.1 | DOI: 10.21443/1560-9278-2025-28-4/1-465-477
Evaluation of the efficiency of replacing one power transformer with two in 10/0.4 kV single transformer substations under seasonal load
The efficiency of replacing one power transformer with two in 10/0.4 kV single transformer substations under seasonal load has been evaluated using the example of replacing a 100 kVA transformer. The installation of two transformers with capacities of 40 and 40 kVA; 40 and 63 kVA; 63 and 63 kVA has been considered. The effects of reducing electricity losses have been evaluated depending on the load factors of transformers and on increasing the reliability of power supply to consumers. The variants of circuits of a single-transformer non-automated, automated substation and an automated substation with two transformers have been compared. A methodology for evaluating the effectiveness of options has been developed. The most rational option in the considered example is to replace it with two 63 and 63 kVA transformers. It achieves the effect of reducing electricity losses with an average annual load factor of 100 kVA equal to or less than 0.35, as well as with a load factor of 100 kVA equal to or greater than 0.55. The effect of increased reliability is to reduce the time of interruptions in the power supply to consumers from 9.44 hours/year to 0.79–1.33 hours/year, depending on the amount of electricity consumed from the transformer substations.
Текст научной статьи Оценка эффективности замены одного силового трансформатора на два в однотрансформаторных подстанциях 10/0,4 кВ при сезонной нагрузке
DOI:
*Федеральный научный агроинженерный центр ВИМ, г. Москва, Россия; e-mail: , ORCID:
Виноградова А. В. и др. Оценка эффективности замены одного силового трансформатора на два в однотрансформаторных подстанциях 10/0,4 кВ при сезонной нагрузке. Вестник МГТУ. 2025. Т. 28, № 4/1. С. 465–477. DOI:
e-mail: , ORCID:
Vinogradova, A. V. et al. 2025. Evaluation of the efficiency of replacing one power transformer with two in 10/0.4 kV single transformer substations under seasonal load. Vestnik of MSTU, 28(4/1), pp. 465–477. (In Russ.) DOI:
Электрические нагрузки сельских потребителей чаще всего сезонны как по времени года, так и по времени суток. Это касается как производственных, так и коммунально-бытовых потребителей. У последних данная особенность наиболее выражена в населенных пунктах, где высока доля приусадебных участков, используемых как дачные. Такие выводы делаются в экономических исследованиях, работах по электрификации и автоматизации, механизации сельскохозяйственных технологических процессов сельского хозяйства1 ( Геращенкова, 2011; Морозов, 2011; Кузьменкова, 2010; Виноградов и др., 2023а ).
Сезонность электрических нагрузок приводит к тому, что силовые трансформаторы (СТ) на трансформаторных подстанциях (ТП) 10/0,4 кВ загружены в течение года неравномерно. Невысоким является и средний коэффициент загрузки СТ 10/0,4 кВ в течение года. Так, в работе ( Виноградов и др., 2023б) показано, что в условиях Орловской области годовые потери электроэнергии холостого хода СТ 10/0,4 кВ в 1,8-2,9 выше потерь короткого замыкания в них. Показано, что 74 % от общего количества СТ загружены не более, чем на 20 % в течение года ( Виноградов и др., 20236) . Одной из причин указанного является и то, что до 1 июля 2022 г. потребители могли подавать заявку на технологическое мощности 15 кВт за одинаковую стоимость. При этом фактически присоединяемая мощность часто не превышала 3-5 кВт.
Исследователями ведется поиск решений по сокращению потерь электроэнергии в СТ, особенно потерь холостого хода. Для этого разрабатываются СТ с сердечниками из аморфных сплавов ( Хавроничев и др., 2015 ), предлагаются методы выявления СТ с повышенными потерями (в том числе возникающими вследствие ремонтов и большого срока эксплуатации) для их замены на энергоэффективные ( Балабин, 2011; Хисматуллин и др., 2016; Левин и др., 2016 ). Рассматриваются вопросы применения СТ с различными схемами соединения для снижения потерь ( Федоровская и др., 2021 ). Данные решения, тем не менее, не позволяют сезонно изменять потери холостого хода в трансформаторах.
Наряду с низкой загрузкой СТ на ТП 10/0,4 кВ в сельских электрических сетях существует проблема низкой надежности. Потоки отказов составляют до 37 год-1 на 100 км, а время восстановления - до 8 ч ( Виноградов и др., 2023в ).
На примере электрических сетей Мценского района Орловской области показано, что порядка 8,25 % отказов в электрических сетях связаны с отказами оборудования ТП 10/0,4 кВ, которые приводят к большим материальным затратам и наносят большой экономический ущерб из -за нарушения электроснабжения значительного числа потребителей. Частота отказов оборудования ТП составляет порядка 6 год-1 на 100 единиц оборудования ( Васильев и др., 2018 ).
Одним из вариантов сокращения потерь электроэнергии в СТ ТП 10/0,4 кВ и одновременно повышения надежности электроснабжения сельских потребителей является замена одного СТ на однотрансформаторной ТП 10/0,4 кВ на два. При этом предполагается сезонная работа каждого из СТ отдельно или их работа параллельно при необходимости питать нагрузку с мощностью, превышающей мощность каждого из СТ в отдельности. Применение сезонной работы СТ рассматривалось в ряде работ. В ( Хорольский и др., 2017) предложено ручное отключение одного из СТ при малых сезонных нагрузках и выполнена оценка условия, когда это выгодно. В ( Kaya et al., 2018 ) разработана модель автоматического управления СТ. Она предполагает выбор включаемого трансформатора в зависимости от мощности нагрузки.
Вариант алгоритма автоматического переключения СТ при замене одного СТ на два предложен в ( Большев и др., 2024 ). Алгоритм отражает способ, предложенный в ( Способ..., 2023 ).
Эффект сокращения потерь электроэнергии ТП 10/0,4 кВ при замене одного СТ на два при наличии фотоэлектрической установки в подключенной к ТП сети рассмотрен в ( Виноградов и др., 2023г ), а эффект повышения надежности от этого - в работе ( Виноградова и др., 2023 ).
Однако в вышеуказанных работах не приводится методик комплексной оценки эффективности замены одного СТ на два в ТП 10/0,4 кВ при сезонной нагрузке.
Материалы и методы
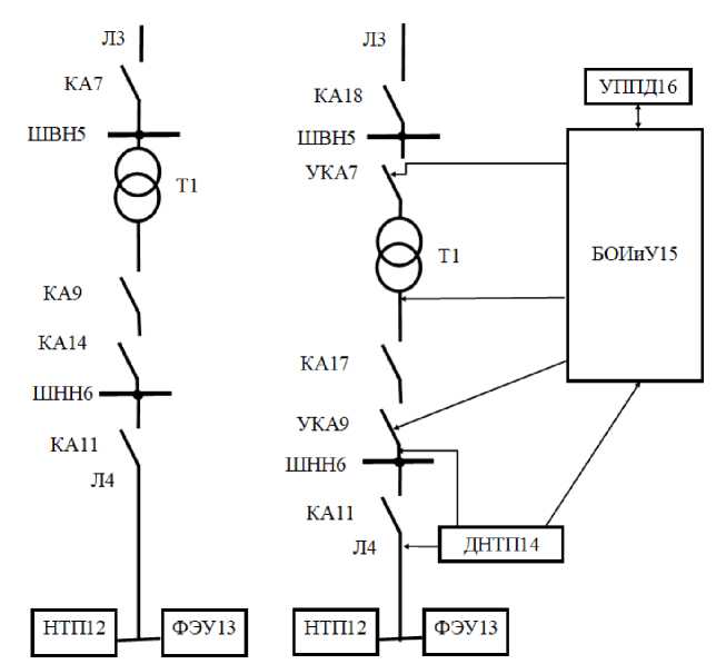
На рис. 1 показана структурная схема реализации способа замены одного СТ на два (Способ., 2023). Схема содержит: Т1, Т2 - силовые трансформаторы, Л3 - питающая линия; Л4 - отходящая линия; ШВН5 -шины высокого напряжения; ШНН6 - шины низкого напряжения; УКА7, УКА8 - управляемые коммутационные аппараты высокого напряжения (например, вакуумные выключатели); УКА9, УКА10 -управляемые коммутационные аппараты низкого напряжения (например, вакуумные контакторы); КА11 -коммутационный аппарат отходящей линии (автоматический выключатель); НТП12 - нагрузка трансформаторной подстанции; ФЭУ13 – фотоэлектрическая установка (может отсутствовать на практике, в расчетах надежности не учитывалась); ДНТП14 – датчик нагрузки трансформаторной подстанции; БОИиУ15 – блок обработки информации и управления; УППД16 – устройство приема и передачи данных; КА17, КА18 – коммутационные аппараты низкого напряжения (рубильники) (Способ…, 2023; Виноградова и др., 2023).
Рис. 1. Структурная схема реализации предлагаемого способа ( Виноградова и др., 2023 ) Fig. 1. Structural diagram of the implementation of the proposed method
Суть реализуемого способа в следующем. На однотрансформаторной ТП вместо одного устанавливают два СТ. Задают и отсчитывают интервалы времени сезонной работы каждого из СТ и их параллельной работы. Включают каждый СТ в заданные интервалы времени. Выполняют мониторинг режимов работы ТП, в том числе измеряют потребляемую от ТП мощность. Если она превышает мощность подключенного в этот момент СТ, то автоматически подключают второй СТ на параллельную работу. Также при отказе работающего СТ его автоматически отключают и включают в работу второй ( Способ…, 2023; Виноградова и др., 2023 ).
В качестве вариантов схем трансформаторных подстанций, с которыми осуществлялось сравнение, выбраны неавтоматизированная однотрансформаторная ТП (рис. 2, а ) и автоматизированная однотрансформаторная ТП (рис. 2, б ).
В схеме на рис. 2, а в качестве коммутационного аппарата на стороне высокого напряжения (ВН) применяется разъединитель КА7, на стороне низкого напряжения – рубильник КА9 и автоматический выключатель КА14 на вводе и автоматический выключатель КА11 на отходящей линии. На рис. 2, б в качестве коммутационных аппаратов на стороне ВН применяется разъединитель КА18 и вакуумный выключатель УКА7, на стороне низкого напряжения – рубильник КА17 и вакуумный контактор УКА9 на вводе, а также автоматический выключатель КА11 на отходящей линии. Схема на рис. 2, б оснащена блоком обработки информации и управления БОИиУ15, датчиком нагрузки трансформаторной подстанции ДНТП14, устройством приема и передачи данных УППД16. Блок БОИиУ15 осуществляет сбор данных и управление управляемыми коммутационными аппаратами УКА7 и УКА9 (Виноградова и др., 2023).
а
б
Рис. 2: а – схема однотрансформаторной ТП 10/0,4 кВ без автоматизации;
б – схема однотрансформаторной ТП 10/0,4 кВ с автоматизацией ( Виноградова и др., 2023 ) Fig. 2: a – diagram of a single-transformer transformer substation (10/0.4 kV) without automation;
б – diagram of a single-transformer transformer substation (10/0.4 kV) with automation
В качестве материала исследования выбрана однотрансформаторная ТП 10/0,4 кВ с мощностью СТ 100 кВА. Трансформаторные подстанции такой мощности являются одними из наиболее массовых в сельской местности ( Виноградов и др., 2023г ). Рассматриваются варианты замены одного СТ 100 кВА на СТ как одинаковой мощности, так и разной, которые имеют общую мощность, достаточную для покрытия максимальной нагрузки ТП. В частности, рассмотрены варианты установки СТ с мощностью 40 и 63 кВА, 63 и 63 кВА, а также, с учетом допустимой перегрузки, 40 и 40 кВА. Разработана комплексная методика оценки экономического эффекта от замены одного СТ на два, учитывающая сокращение потерь электроэнергии и повышение надежности электроснабжения потребителей.
Результаты и обсуждение
Применение рассмотренного выше способа рационально в том случае, если позволяет сократить потери электроэнергии и повысить надежность электроснабжения потребителей, получив за счет этого экономический эффект. Оценка такого эффекта должна производиться в каждом случае, когда предполагается применить предложенный способ. Ниже приводится методика осуществления оценки экономического эффекта от применения способа.
Первым действием методики является определение годового потребления электроэнергии, W , кВт∙ч/год, потребителями, подключенными к рассматриваемой ТП 10/0,4 кВ. Его значение определяется по одному из способов:
-
1) по данным прибора учета, установленного на ТП;
-
2) расчетным способом по результатам замеров в режимные дни;
-
3) по расчетному графику нагрузки, подключенной к ТП.
Вторым действием является выбор СТ, которые могут быть установлены на ТП. Для этого изучается график нагрузки, оценивается возможность сезонного использования СТ той или иной мощности, время возможного использования в течение года каждого из двух устанавливаемых СТ и время их совместной работы. Чем более сезонный характер имеет нагрузка и при этом более длительным является время работы одного трансформатора наименьшей мощности, тем рациональней применение способа. При выборе СТ следует учитывать возможность их параллельной работы.
Третьим действием является расчет сокращения потерь электроэнергии в случае реализации способа, Δ W Δ , кВт∙ч/год
Δ W Δ = Δ W T 1 – ( Δ W T 1.1 + Δ W T 1.2 + Δ W T 2.2 ),
где Δ WT 1 – потери электроэнергии в трансформаторе в случае установки одного трансформатора на ТП, кВт∙ч/год; Δ WT 1.1 – потери электроэнергии в первом из двух предполагаемых к установке трансформаторов взамен одного, кВт∙ч/год; Δ WT 1.2 – потери электроэнергии во втором из двух предполагаемых к установке трансформаторов взамен одного, кВт∙ч/год; Δ WT 2.2 – потери электроэнергии в двух параллельно работающих трансформаторах, предполагаемых к установке взамен одного, кВт∙ч/год.
Данную формулу можно раскрыть следующим образом:
Δ W Δ = ( Δ P xx T 1 ⋅ 8 760 + β T 21 ⋅ Δ P кз T 1 ⋅ τ T 1 ) – ((( Δ P xx T 1.1 ⋅ t T 1.1 + β T 21.1 ⋅ Δ P кз T 1.1 ⋅ τ T 1.1 ) + ( Δ P xx T 1.2 ⋅ t T 1.2 + β T 21.2 ⋅ Δ P кз T 1.2 ⋅ τ T 1.2) + (( Δ P xx T 1.1 ⋅ tT 2.2 + β T 2 1.1.2 ⋅ Δ P кз T 1.1 ⋅ τ T 1.1.2) + ( Δ P xx T 1.2 ⋅ tT 2.2 + β T 2 1.2.2 ⋅ Δ P кз T 1.2 ⋅ τ T 1.2.2))), (2) где Δ P xx T 1 – потери мощности холостого хода в трансформаторе в случае установки одного трансформатора на ТП, кВт; 8 760 – число часов работы, ч/год; β T 1 – коэффициент загрузки трансформатора в случае установки одного трансформатора на ТП, безразм.; Δ P кз T 1 – потери мощности короткого замыкания в трансформаторе в случае установки одного трансформатора на ТП, кВт; τ T 1 – расчетное время потерь для трансформатора в случае установки одного трансформатора на ТП, ч/год; Δ P xx T 1.1, Δ P xx T 1.2 – потери мощности холостого хода в первом и втором из двух предполагаемых к установке трансформаторов взамен одного, кВт; t T 1.1 , t T 1.2 – время отдельной работы первого и второго из двух предполагаемых к установке трансформаторов взамен одного, ч/год; β T 1.1, β T 1.2 – коэффициенты загрузки первого и второго из двух предполагаемых к установке трансформаторов взамен одного во время их отдельной работы, безразм.; τ T 1.1, τ T 1.2 – расчетное время потерь для первого и второго из двух предполагаемых к установке трансформаторов взамен одного во время их отдельной работы, безразм.; t T 2.2 – время параллельной работы первого и второго из двух предполагаемых к установке трансформаторов взамен одного, ч/год; β T 1.1.2, β T 1.2.2 – коэффициенты загрузки первого и второго из двух предполагаемых к установке трансформаторов взамен одного во время их параллельной работы, безразм.; τ T 1.1.2, τ T 1.2.2 – расчетное время потерь для первого и второго из двух предполагаемых к установке трансформаторов взамен одного во время их параллельной работы, безразм.
Наиболее эффективным будет вариант, когда Δ W Δ имеет максимальное значение. Как следует из выражения (2), на это влияет ряд факторов. Это показатели применяемых СТ, их потери мощности холостого хода и короткого замыкания, степень загрузки во время работы и время их работы отдельно и параллельно.
На рис. 3 показаны графики годовых потерь электроэнергии в СТ мощностью 100 кВА в зависимости от объема потребляемой электроэнергии в год и устанавливаемых альтернативно ему СТ с мощностью по вариантам: 40 и 40 кВА; 40 и 63 кВА; 63 и 63 кВА.
Рис. 3. Графики годовых потерь электроэнергии в СТ 100 кВА и устанавливаемых альтернативно ему СТ мощностью 40 и 40 кВА, 40 и 63 кВА, 63 и 63 кВА
Fig. 3. Graphs of annual electricity losses in a 100 kVA transformer power and alternative transformer power with the capacity of 40 and 40 kVA, 40 and 63 kVA, 63 and 63 kVA
В табл. 1 показаны расчетные параметры, для которых определялись точки на графиках (рис. 3).
Таблица 1. Расчетные параметры для варианта замены трансформатора
100 кВА на два трансформатора по 63 кВА
Table 1. Calculated parameters for the option of replacing a 100 kVA transformer with two 63 kVA transformers
|
№ п/п |
W, кВт·ч/год |
Время параллельной работы Т1 и Т2, ч/год |
β100, безразм. |
Δ W T 1 , кВт·ч/год |
( Δ WT 1.1 + Δ WT 1.2 + + Δ WT 2.2), кВт·ч/год |
Δ W Δ , кВт·ч/год |
Δ W Δруб , руб/год |
|
1 |
100 000 |
760 |
0,114 |
2 292 |
1 437 |
855 |
2 591 |
|
2 |
150 000 |
760 |
0,171 |
2 327 |
1 539 |
788 |
2 388 |
|
3 |
200 000 |
760 |
0,228 |
2 403 |
1 770 |
633 |
1 918 |
|
4 |
250 000 |
760 |
0,285 |
2 545 |
2 206 |
339 |
1 027 |
|
5 |
300 000 |
760 |
0,342 |
2 780 |
2 946 |
–166 |
–502,98 |
|
6 |
400 000 |
1 760 |
0,457 |
3 681 |
3 676 |
6 |
18,18 |
|
7 |
500 000 |
3 760 |
0,571 |
5 434 |
3 899 |
1 535 |
4 651 |
Из сравнения графиков следует, что вариант замены СТ 100 кВА на два СТ по 40 кВА имеет эффект сокращения потерь электроэнергии при среднегодовом коэффициенте загрузки трансформатора 100 кВА, β 100 , безразм., равном или меньшем 0,3, при годовом потреблении электроэнергии менее 210 000 кВт·ч.
Вариант замены на два трансформатора 40 и 63 кВА имеет эффект сокращения потерь электроэнергии при среднегодовом коэффициенте загрузки трансформатора 100 кВА, β 100 , безразм., равном или меньшем 0,32, при годовом потреблении электроэнергии менее 250 000 кВт·ч.
Вариант замены на два трансформатора 63 и 63 кВА имеет эффект сокращения потерь электроэнергии при среднегодовом коэффициенте загрузки трансформатора 100 кВА, β100, безразм., равном или меньшем 0,35, при годовом потреблении электроэнергии менее 270 000 кВт·ч. При использовании этого варианта эффект проявляется также при коэффициенте загрузки трансформатора 100 кВА, β100, безразм., равном или большем 0,55, годовое потребление более 450 000 кВт·ч. Это связано со значительным ростом нагрузочных потерь в трансформаторе 100 кВА по сравнению с 2 параллельно работающими трансформаторами по 63 кВА.
Для наиболее эффективного варианта оценка, в том числе в денежном выражении, показана в табл. 1.
Следующим действием согласно методики является оценка эффекта от повышения надежности электроснабжения. Сравнительный расчет надежности для вариантов ТП с одним или двумя трансформаторами выполнен в ( Виноградова и др., 2023 ). Суммарное время перерывов в год для однотрансформаторной ТП составляет 9,44 ч/год ( Виноградова и др., 2023 ).
В табл. 2 показаны значения показателей надежности оборудования, применяемого на схеме согласно рис. 2, а и б .
Таблица 2. Данные для расчета надежности схем ТП ( Виноградова и др., 2023 ) Table 2. Data for calculating the reliability of TS circuits
|
№ п/п |
Вид электрооборудования |
Параметр потока отказов, ω 01 , год–1 |
Время восстановления, Т В , ч |
Параметр потока плановых отключений, m 0 i , год–1 |
Продолжительность плановых отключений, ч |
|
1 |
Силовой трансформатор |
0,016 |
50 |
0,25 |
6 |
|
2 |
Вакуумный выключатель |
0,004 |
8 |
0,004 |
15 |
|
3 |
Разъединитель |
0,01 |
7 |
0,166 |
3,7 |
|
4 |
Рубильник |
0,038 |
7 |
0,166 |
3,7 |
|
5 |
Автоматический выключатель |
0,05 |
4 |
0,33 |
10 |
|
6 |
ШВН |
0,03 |
7 |
0,166 |
5 |
|
7 |
ШНН |
0,03 |
7 |
0,166 |
5 |
|
8 |
БОИиУ |
0,000114 |
4 |
0,33 |
0,5 |
|
9 |
Контактор вакуумный |
0,04 |
4 |
0,04 |
0,5 |
Расчетное количество часов аварийных перерывов в электроснабжении, связанных с отказами каждого вида оборудования, Т пер ав об i , ч/год
Т пер ав об i = Т Вср i ⋅ ω 0 i ⋅ n i ,
где ni – количество оборудования, шт.; ω0i – параметр потока отказов на 1 шт. оборудования, год–1; ТВсi – среднее время восстановления, ч.
Вероятность безотказной работы (ВБР) оборудования Р ( об i ) , безразм.
8 760 - Т пер ав обi
(обi) 8 760 , где 8 760 – число часов в году, ч/год.
Рассчитаем ВБР последовательно соединенных участков, Рпосл р _ nпосл р посл i _ 1 (обi) , где nпосл – число последовательно соединенных участков сети в рассматриваемой цепи.
ВБР параллельных участков ВБР, Рпар, для n пар, шт., количества параллельных участков n пар
Р пар 1 П i = 0 ( 1 р об i) Г
ВБР всей схемы после приведения ее к одному элементу обозначается Р (безотк ав с i ) , безразм.
С использованием расчетных значений ВБР определяется время аварийных перерывов в работе ТП
Т пер ав с г = 8 760 — 8 760 ■ Р (сав) , (7)
где Р (с i ав) – ВБР всей рассматриваемой схемы с учетом последовательных и параллельных цепей (полученная после упрощения схемы замещения). Таким методом рассчитывалась схема замещения, приведенная на рис. 4, а .
а б
Рис. 4: а – схема замещения двухтрансформаторной ТП 10/0,4 кВ с автоматизацией для расчета ВБР; б – схема замещения двухтрансформаторной ТП 10/0,4 кВ с автоматизацией для расчета ВБРпл ( Виноградова и др., 2023 )
Fig. 4: a – equivalent circuit of a two-transformer 10/0.4 kV TS with automation for calculating the probability of failure-free operation; б – equivalent circuit of a two-transformer 10/0.4 kV TP with automation for calculating the probability of failure-free operation (planned)
Расчетное количество часов плановых отключений оборудования ТП, Т пер пл об i , ч/год
Т пер пл об i Т ПЛср i ■ m 0 i ■ ni , (8) где m 0 i – параметр потока плановых отключений на 1 шт. оборудования, год–1; Т ПЛср i – среднее время плановых отключений, ч.
Следующим шагом является определение вероятности безотказной работы оборудования ТП по плановым отключениям (ВБРпл), Р(обiпл), безразм.
8 760 - Т пер пл обi
8 760
P, , ,
(об i пл)
Аналогично расчету ВБР по аварийным отключениям рассчитывается ВБР по плановым (преднамеренным) отключениям ТП (Р ( с i пл ) ) с учетом того, что во время ремонта или обслуживания одной из цепей ТП, вторая (резервная) в плановый ремонт не выводится. Поэтому при расчетах резервирующих цепей учитывают ВБРпл одной цепи и ВБР второй, т. е. определяют вероятность возникновения аварийного отключения в резервной цепи во время планового ремонта первой ( Виноградова и др., 2023 ). Таким методом рассчитывалась схема замещения, приведенная на рис. 4, б .
Время плановых перерывов ТП
Т пер пл с i = 8 760 – 8 760 ⋅ Р (с i пл) . (10)
На рис. 4, а и б : Р КАn – ВБР соответствующих коммутационных аппаратов; Р ШВН – ВБР шин высокого напряжения; РШНН – ВБР шин низкого напряжения; РУКАn – ВБР соответствующих управляемых коммутационных аппаратов; РТn – ВБР соответствующих силовых трансформаторов; РБОИиУ – ВБР блока обработки информации и управления; Р КАnпл – ВБРпл соответствующих коммутационных аппаратов; Р УКАnпл – ВБРпл соответствующих управляемых коммутационных аппаратов; РТnпл – ВБРпл соответствующих силовых трансформаторов; Кгт1, Кгт2 – коэффициенты готовности трансформаторов Т1 и Т2 соответственно (под Кгт понимается отношение времени года, в часах, в которое один из трансформаторов готов питать полную нагрузку ТП к продолжительности года, т. е. 8 760 ч) ( Виноградова и др., 2023 ).
В табл. 3 приведены результаты расчета основных показателей надежности для оборудования схемы, показанной на рис. 1 (схема замещения на рис. 4, а и б ).
Таблица 3. Результаты расчета основных показателей надежности для оборудования схемы, показанной на рис. 1 (схемы замещения на рис. 4, а и б ) ( Виноградова и др., 2023 )
Table 3. Results of calculation of the main reliability indicators for the equipment of the circuit shown in Fig. 1 (equivalent circuits in Fig. 4, a and б )
|
Вид оборудования \ |
Т пер ав об i , ч/год J |
Р (об i ) \ |
Р (ц i ) \ |
Т пер пл об i , ч/год 1 |
Р (об i пл) \ |
Р (ц i пл) |
|
Последовательная цепь Т1 |
||||||
|
УКА7 |
0,32 |
0,99996 |
0,99981 |
0,6 |
0,99993 |
0,99967 |
|
Т1 |
0,8 |
0,99990 |
1,5 |
0,99982 |
||
|
КА17 |
0,26 |
0,99997 |
0,614 |
0,99993 |
||
|
УКА9 |
0,16 |
0,99998 |
0,02 |
0,99999 |
||
|
Последовательная цепь Т2 |
||||||
|
УКА8 |
0,32 |
0,99996 |
0,99981 |
0,6 |
0,99993 |
0,99967 |
|
Т2 |
0,8 |
0,99990 |
1,5 |
0,99982 |
||
|
КА18 |
0,26 |
0,99997 |
0,614 |
0,99993 |
||
|
УКА10 |
0,16 |
0,99998 |
0,02 |
0,99999 |
||
|
Параллельная цепь Т1 и Т2 (расчет ВБР) |
||||||
|
0,99999996 |
||||||
|
Параллельная цепь Т1 и Т2 (расчет ВБРпл) |
||||||
|
0,99999994 |
||||||
|
Общая последовательная цепь |
||||||
|
КА19 |
0,07 |
0,999992 |
0,99993 |
0,614 |
0,99993 |
0,99973 |
|
ШВН |
0,21 |
0,99997 |
0,83 |
0,99991 |
||
|
ШНН |
0,21 |
0,99997 |
0,83 |
0,99991 |
||
|
БОИиУ15 |
0,00056 |
0,9999999 |
0,165 |
0,99998 |
||
|
Общие показатели схемы для расчета ВБР |
||||||
|
Т пер ав с i = 0,613 ч/год; Р (с i ) = 0,999929 |
||||||
|
Общие показатели схемы для расчета ВБРпл |
||||||
|
Т пер пл с i = 0,000000000027 ч/год; Р (с i пл) = 0,999999999999997 |
||||||
Суммарное время перерывов в год равно 0,613 ч для случая, когда значения коэффициентов готовности трансформаторов Т1 и Т2 составляют единицу. По результатам расчета сделан вывод, что замена ТП одного трансформатора на два, питаемых по одной линии 10 кВ, позволяет сократить время перерывов в электроснабжении потребителей с 9,44 до 0,613 ч/год при условии, что каждый из установленных трансформаторов способен нести всю нагрузку ТП (с учетом допустимой перегрузки), т. е. при коэффициенте готовности 1 ( Виноградова и др., 2023 ).
Мощность одного трансформатора 63 кВ в течение некоторого времени в течение года недостаточна для покрытия всей нагрузки. Согласно табл. 1 это время равно времени параллельной работы трансформаторов. Если в течение данного времени произойдет выход из строя одного из трансформаторов или другого оборудования, соединенного с ним последовательно, то нарушится электроснабжение потребителей.
Цепи трансформаторов Т1 и Т2 имеют одинаковую ВБР, равную 0,99981. С учетом ее значения, а также ВБР общей последовательной цепи (0,9993) определяется вероятное время перерывов в электроснабжении за период времени параллельной работы трансформаторов, Т пер ав с22 , ч
Т пер ав с22 = t T 2.2 – t T 2.2 ⋅ Р (ЦТ i ) ⋅ Р (ОПЦ) , (11)
где Р (ЦТ i ) – ВБР последовательной цепи трансформатора Т1 или Т2, безразм.; Р (ОПЦ) – ВБР общей последовательной цепи (табл. 3).
Например, для случаев, когда tT 2.2 = 760 ч, Тпер ав с22, ч составит
Т пер ав с22 = 760 – 760 ⋅ 0,99981 ⋅ 0,99993 = 0,2.
Для остального времени года время перерывов в электроснабжении, Тпер ав с, ч, рассчитываем с учетом ВБР всей схемы ТП (0,99993), но без учета времени параллельной работы трансформаторов
Т пер ав с = 8 000 – 8 000 ⋅ 0,999929 = 0,57.
Общее время аварийных перерывов в электроснабжении в год, Тпер ав, ч/год, составит
Т
пер ав
= Т
пер ав с
+ Т пер ав с22
= 0,57 + 0,2 = 0,79.
В табл. 4 показаны результаты расчета показателей надежности для случая замены трансформатора
100 кВА на два трансформатора по 63 кВА в зависимости от времени их параллельной работы. Также
в таблице приведены значения сокращения времени перерывов в электроснабжении, Δ Тпер, ч/год, в сравнении с временем перерывов при однотрансформаторном исполнении ТП (9,44 ч/год). Суммы сокращения ущербов
при этом, Ссокр ущ, руб/год, показаны в табл. 4. Сумма сокращения ущербов определена следующим образом:
С
сокр ущ
(С удээ
+ К недээ ) ⋅ Δ Т пер ,
где Судээ – удельная почасовая стоимость недооплаченной электроэнергии, 28,72 руб/ч; Кнедээ – удельный ущерб от необходимости выплат компенсаций электросетевыми компаниями при перерывах в электроснабжении
потребителей, 1 214,4 руб/ч ( Виноградов, 2022 ).
Таблица 4. Расчетные показатели надежности для варианта замены трансформатора 100 кВА на два трансформатора по 63 кВА
Table 4. Calculated reliability indicators for the option of replacing a 100 kVA transformer with two 63 kVA transformers
|
№ п/п |
Потребление электроэнергии, W, кВт·ч/год |
Время параллельной работы Т1 и Т2, ч/год |
Р (ЦТ i ) ⋅ Р (ОПЦ) , безразм. |
о ей л и Е н |
о И л Е н |
И л Е н |
и Е н < |
С удээ + К недээ , руб/ч |
и £ |
|
1 |
100 000 |
760 |
0,99974 |
0,2 |
0,57 |
0,79 |
8,65 |
1 243,12 |
10 750 |
|
2 |
150 000 |
760 |
0,99974 |
0,2 |
0,57 |
0,79 |
8,65 |
1 243,12 |
10 750 |
|
3 |
200 000 |
760 |
0,99974 |
0,2 |
0,57 |
0,79 |
8,65 |
1 243,12 |
10 750 |
|
4 |
250 000 |
760 |
0,99974 |
0,2 |
0,57 |
0,79 |
8,65 |
1 243,12 |
10 750 |
|
5 |
300 000 |
760 |
0,99974 |
0,2 |
0,57 |
0,79 |
8,65 |
1 243,12 |
10 750 |
|
6 |
400 000 |
1 760 |
0,99974 |
0,46 |
0,49 |
0,95 |
8,49 |
1 243,12 |
10 550 |
|
7 |
500 000 |
3 760 |
0,99974 |
0,98 |
0,35 |
1,33 |
8,11 |
1 243,12 |
10 078 |
В то же время можно рассчитать эффект для потребителей, который будет заключаться в сокращении недоотпуска электроэнергии. Для этого определяем сокращение объема недоотпущенной электроэнергии потребителям, Сонээ, кВт·ч/год
С
онээ
W ⋅Δ T .
8 760 пер
Далее определяем сокращение ущерба от недоотпуска электроэнергии, Сунээ, руб/год, с учетом удельного ущерба, у0, равного 140 руб за один кВт·ч недоотпущенной электроэнергии ( Виноградов. 2022 )
С унээ = С онээ ⋅ у 0 .
Результаты расчетов показаны в табл. 5.
Сокращение ущерба при замене одного трансформатора двумя с учетом сокращения потерь электроэнергии и повышения надежности электроснабжения показано в табл. 5.
Для оценки выгодности каждого из вариантов необходимо также вычислить капитальные вложения в их реализацию (зависят от исполнения ТП) и эксплуатационные издержки. Сравнение может проводиться по приведенным затратам или по дисконтированному сроку окупаемости.
Экономический эффект от варианта ТП с двумя трансформаторами определяется
E 2 = (С унээ + Δ W Δруб ) – (Э 2 – Э 1 ), (16) где Э 1 и Э 2 – эксплуатационные издержки, без учета стоимости потерь электроэнергии для первого (1 трансформатор на ТП) и второго (2 трансформатора на ТП) вариантов, руб/год.
Срок окупаемости варианта ТП с двумя трансформаторами, Т ОК2 , лет, определяется Т ОК2 = К 2- К 1 , (17)
E 2
где К 1 , К 2 – капитальные вложения в 1 и 2 вариант, руб.
Показатели сокращения затрат и срока окупаемости для варианта ТП с двумя трансформаторами показаны в табл. 5.
Таблица 5. Сокращение затрат при замене одного трансформатора двумя и срок окупаемости варианта ТП с двумя трансформаторами Table 5. Cost reduction when replacing one transformer with two and the payback period of the TS option with two transformers
|
№ п/п |
Потребление электроэнергии, W, кВт·ч/год |
Время параллельной работы Т1 и Т2, ч/год |
EX |
< & |
EI e О § ? m и |
EI |
С унээ + Δ W Δруб , руб/год |
Ю |
L S |
О |
|
1 |
100 000 |
760 |
855 |
2 591 |
99 |
13 824 |
16 415 |
300 000 |
7 500 |
33,7 |
|
2 |
150 000 |
760 |
788 |
2 388 |
148 |
20 736 |
23 124 |
300 000 |
7 500 |
19,2 |
|
3 |
200 000 |
760 |
633 |
1 918 |
197 |
27 648 |
29 566 |
300 000 |
7 500 |
13,6 |
|
4 |
250 000 |
760 |
339 |
1 027 |
247 |
34 560 |
35 587 |
300 000 |
7 500 |
10,6 |
|
5 |
300 000 |
760 |
–166 |
–503 |
296 |
41 473 |
40 970 |
300 000 |
7 500 |
9 |
|
6 |
400 000 |
1 760 |
6 |
18 |
395 |
55 297 |
55 315 |
300 000 |
7 500 |
6,3 |
|
7 |
500 000 |
3 760 |
1 535 |
4 651 |
493 |
69 121 |
73 772 |
300 000 |
7 500 |
4,5 |
Как показывают результаты расчетов при предположении о разнице в стоимости ТП с одним и двумя трансформаторами в 300 000 руб (например, цены на ТП 100 кВА разного исполнения с одним трансформатором составляют от 88 000 до 700 000 руб и более2), а также разнице в эксплуатационных издержках между ними в 7 500 руб (2,5 % от разницы в стоимости) срок окупаемости зависит от объема потребляемой электроэнергии и, соответственно, получаемого эффекта от сокращения потерь электроэнергии и повышения надежности электроснабжения. Наибольший вклад в экономический эффект вносит повышение надежности электроснабжения потребителей, компенсируя в определенных случаях отрицательный эффект сокращения потерь электроэнергии. Приемлемые сроки окупаемости, от 9 до 4,5 лет, достигаются при объеме потребления электроэнергии от ТП не менее 300 000 кВт·ч/год.
Предложенная выше методика позволяет обосновывать применение способа замены одного трансформатора на два для разных мощностей и характеристик ТП.
Заключение
Замена одного силового трансформатора на два на однотрансформаторных подстанциях является одним из способов сокращения потерь электроэнергии и повышения надежности электроснабжения потребителей. Данный способ рассмотрен на примере замены трансформатора 100 кВА. Вариант замены на два трансформатора 40 и 63 кВА имеет эффект сокращения потерь электроэнергии при среднегодовом коэффициенте загрузки трансформатора 100 кВА, равном или меньшем 0,32, при годовом потреблении электроэнергии менее 250 000 кВт·ч. Наиболее рациональный вариант замены на два трансформатора 63 и 63 кВА имеет эффект сокращения потерь электроэнергии при среднегодовом коэффициенте загрузки трансформатора 100 кВА, равном или меньшем 0,35, при годовом потреблении электроэнергии менее 270 000 кВт·ч, а также при коэффициенте загрузки трансформатора 100 кВА, равном или большем 0,55 (годовое потребление более 450 000 кВт·ч).
Применение двух трансформаторов вместо одного при условии автоматизации ТП позволяет сократить время перерывов в электроснабжении потребителей с 9,44 ч/год до 0,79–1,33 ч/год в зависимости от объема потребляемой электроэнергии от ТП.
Наибольший вклад в экономический эффект вносит повышение надежности электроснабжения потребителей, компенсируя в определенных случаях отрицательный эффект сокращения потерь электроэнергии. Приемлемые сроки окупаемости, от 9 до 4,5 лет, достигаются при объеме потребления электроэнергии от ТП не менее 300 000 кВт·ч/год.