Связь теплофизических свойств трубной углеродистой стали с водород-индуцированными трансформациями структуры
Автор: Нечаева А.В., Шалагаев В.В., Заворин А.С.
Журнал: Журнал Сибирского федерального университета. Серия: Техника и технологии @technologies-sfu
Рубрика: Исследования. Проектирование. Опыт эксплуатации
Статья в выпуске: 2 т.19, 2026 года.
Бесплатный доступ
Приведены результаты экспериментальных исследований распределения температур и термических напряжений, возникающих при прогреве образцов из углеродистой стали, в их взаимосвязи с микроструктурными водород-индуцированными трансформациями. Рассмотрены образцы труб радиационных поверхностей нагрева, испытывающих при работе котла максимальный температурный градиент (фронтовая (огневая) сторона трубы обращена в сторону излучающей среды топки, а тыловая – к обмуровке). При этом с фронтовой стороны под действием водорода происходит трансформация феррито-перлитной микроструктуры в преимущественно ферритную структуру, с тыловой стороны микроструктура не изменяется. Этот микроструктурный градиент по сечению пар генерирующих труб приводит к разнице в 35 % в температурных напряжениях между наводороженной и неповрежденной стенкой (фронтовая/тыловая) в начальный момент прогрева. Далее, по мере прогрева стенки труб, эта разница снижается до 10 %. Полученные результаты могут объяснять факты разрушения водородохрупченных труб во время пуска котла, а не в стационарном режиме эксплуатации.
Теплофизические свойства, водород, углеродистая сталь, структурно-фазовое состояние, трубы поверхностей нагрева
Короткий адрес: https://sciup.org/146283261
IDR: 146283261 | УДК: 669.1.017:620.18:620.19
Relationship Between Thermophysical Properties of Carbon Pipe Steel and Hydrogen-Induced Structural Transformations
The article presents the results of experimental studies of the temperature distribution and thermal stresses arising during the heating of carbon steel specimens, in their relationship with microstructural hydrogen-induced transformations. Samples of radiant heating surface tubes experiencing the maximum temperature gradient during boiler operation are examined (the front (fire) side of the tube faces the radiating medium of the furnace, and the rear side faces the refractory lining). Under the influence of hydrogen, the ferrite-pearlite microstructure on the front side transforms into a predominantly ferrite structure, while the microstructure on the rear side remains unchanged. This microstructural gradient across the cross-section of steam-generating tubes results in a 35 % difference in thermal stresses between the hydrogenated and undamaged walls (front/rear) at the initial moment of heating. Subsequently, as the tube wall heats up, this difference decreases to 10 %. The obtained results can explain the facts of destruction of hydrogen-embrittled pipes during boiler start-up, and not in steady-state operating mode.
Текст научной статьи Связь теплофизических свойств трубной углеродистой стали с водород-индуцированными трансформациями структуры
Цитирование: Нечаева А. В. Связь теплофизических свойств трубной углеродистой стали с водород-индуцированными трансформациями структуры / А. В. Нечаева, В. В. Шалагаев, А. С. Заворин // Журн. Сиб. федер. ун-та. Техника и технологии, 2026, 19(2). С. 154–163. EDN: NSLCYD диент по периметру (сечению) трубы, приводящий к возникновению значительных внутренних термомеханических напряжений [2]. Высокая теплопроводность металла при этом способствует активному теплоотводу от внутренней поверхности стенки трубы к пароводяной смеси и быстрому прогреву сечения трубы, что предотвращает термомеханическую усталость. Влияние теплопроводности на долговечность трубных элементов подробно изучалось в ряде исследований, в том числе с применением нейронной сети [3]. Например, в работе [4] авторы продемонстрировали изменение температурных напряжений в связи со структурными превращениями в феррито-мартенситной стали под действием усталостных нагрузок. Эти изменения, обусловленные микроструктурными перестройками, напрямую влияют на прочность и долговечность материала. Известна также модель прогнозирования теплопроводности [5] в связи с изменениями микроструктуры стали. Авторам [6] удалось установить прямую зависимость эффективной теплопроводности стенок котельных труб от их микроструктурных составляющих, даже в рамках одного структурного класса сталей (феррито-перлитная сталь). Все эти исследования свидетельствуют о том, что различия в микроструктуре приводят к разбросу значений коэффициентов теплопроводности, что, в свою очередь, не может не влиять на скорость развития хрупких повреждений.
Одной из наиболее опасных причин хрупких повреждений труб поверхностей нагрева является водородная хрупкость [7]. Этот процесс, сопровождающийся значительными неравномерными микроструктурными изменениями в металле, часто приводит к разрушению именно в период пускового прогрева котла, что актуализирует наличие тщательного контроля температурных режимов на всех этапах запуска. В большинстве работ показано, что водородные повреждения сопровождаются внутренним растрескиванием вследствие образования метановых полостей [8, 9]. В этом случае следует ожидать значительное падение теплопроводности стенки трубы за счет повышения ее термического сопротивления из-за наличия в ней метановых полостей, обладающих гораздо меньшей теплопроводностью, чем металл трубы. Вместе с тем было высказано предположение [10], что в процессе длительного эксплуатационного воздействия водорода, обезуглероживание перлитных зерен может быть объяснено скоплением углерода (графита) по границам зерен металла, вследствие этого углерод не покидает металл труб в виде метана и метановые полости внутри стенки трубы не формируются. При этом в структуре значительно увеличивается количество ферритных и уменьшается количество перлитных зерен. Теплопроводность феррита – 80 Вт/м·К, перлита находится в диапазоне 17–36 Вт/м·К в зависимости от формы цементита [11], таким образом, металл трубы обогащается более теплопроводными зернами, что в рассматриваемом механизме должно привести к обратному эффекту – к увеличению эффективной теплопроводности стенки трубы.
Детальное изучение микроструктурных изменений и их связи с теплопроводностью и возникновением напряжений позволит объяснить наблюдаемые процессы водород-индуцированных разрушений на этапе прогрева котлов, а в дальнейшем совершенствовать эффективные и безопасные методы эксплуатации энергетических агрегатов, имеющих в своем составе охрупченное водородом оборудование. В связи с этим экспериментальное определение возникающих термических напряжений с фронтовой и тыловой сторон таких труб представляется весьма актуальной задачей для повышения надежности работы энергетических котлов. Особенно важны данные исследования для котельного оборудования, эксплуатирующегося значительно дольше установленного паркового ресурса, но планируемого к переводу на сжигание непроектных видов топлив [12].
Материалы и методики исследования
В качестве объектов испытаний выбраны трубы из стали 20 поверхностей нагрева энергетических котлов, изготовленные по ТУ 14–3Р-55–2001, типоразмером 76×6 мм.
Химический анализ состава образцов проводился согласно ГОСТ Р 54153–2010. Определение массовой доли водорода проводилось в соответствии с ГОСТ 17745–90 методом вакуум-нагрева. Для выявления структурных составляющих образцов использовался 4 %-й спиртовой раствор HNO3. Для металлографического анализа применялись оптический и электронный микроскопы. При исследовании температурных полей применялся метод непосредственного измерения температур с нагреваемой и противоположной сторон трубного образца с помощью поверенного пирометра, имеющего максимальную погрешность ±2 оС. Как показано в [13], это обеспечение позволяет решать обратную задачу теплопроводности, в которой граничные условия определяются на основе экспериментальных исследований температуры в выбранных точках образца, что позволяет рассчитать теплофизические свойства.
Эксперименты осуществлялись по двум схемам (рис. 1).
Исследовались образцы, вырезанные из парогенерирующих труб после более 100 тыс. ч эксплуатации в водородсодержащей среде. Из труб были изготовлены образцы в виде фрагментов труб длиной 60 мм для испытания по первой схеме (рис. 1а), таким образцам присвоена маркировка – «Экс-вод». Дополнительно для данной схемы испытаний изготавливались образцы из аналогичных труб, бывших в длительной эксплуатации, но не имеющих следов водородного воздействия, таким образцам присваивалась маркировка – «Экс-невод». Далее поверхности этих образцов полировались и располагались на плотно прилегающей подложке. Подложки изготавливались из хорошо проводящего материала (алюминий), имели идентичный размер и вес. Поверхности подложек и отрезков труб были притерты друг к другу для устранения воздушных «карманов». При этом было учтено фактическое расположение труб при эксплуатации: фронтовые стороны труб были обращены к алюминиевой подложке, измерение температуры проводилось с тыловой стороны труб.
Для испытаний по второй схеме (рис. 1б) из образцов «Экс-вод» вырезались фрагменты с плоскопараллельными зашлифованными поверхностями равного размера. Маркировка
а б
Рис. 1. Схемы испытаний: а – схема испытаний № 1; б – схема испытаний № 2; 1 – нагревательная поверхность, 2 – испытуемый образец; 3 – подложка; стрелкой указаны места контроля температур
Fig. 1. Test schemes: a – test scheme No. 1; b – test scheme No. 2; 1 – heating surface, 2 – test sample; 3 – substrate; the arrow indicates the temperature control locations
«фронт» присвоена образцам, вырезанным из стенок этих труб с фронтовой стороны, «тыл» – из стенок труб с тыловой стороны.
Несмотря на то что предварительно была проверена равномерность поля нагрева по площади платформы (±1 оС), была проведена серия испытаний с переменой подложек и изменением мест расположения образцов на нагревающей платформе, далее рассчитывались средние значения. При анализе результатов учитывались не абсолютные значения температур, а относительные характеристики (разность температур образцов в одной серии испытаний), что позволяло снизить общую погрешность испытаний.
Приоритет в выборе методов регистраций и измерений, а также методик испытаний определялся реальными возможностями узкоотраслевых экспертных лабораторий, которые выполняют практические исследования технических устройств при проведении регламентного технического диагностирования и разрабатывают мероприятия по пуско-наладке котельного оборудования. Это позволит при необходимости внедрить примененный в статье подход в комплекс работ по установлению фактического состояния материла промышленного оборудования и скорректировать рекомендации по пуско-наладке при эксплуатации котельного оборудования.
Результаты экспериментальных исследований и их обсуждение
По результатам металлографического анализа и прямого измерения концентрации водорода установлено, что исследуемые эксплуатационные парогенерирующие трубы котлов, выбранные для испытания по схемам № 1 и № 2 (образцы «фронт», «тыл», «Экс-вод»), подверглись неравномерному водородному влиянию. Экспериментальные исследования показали, что микроструктура металла образцов с маркировкой «фронт» значительно обезуглерожена по сравнению с образцами с маркировкой «тыл» (рис. 2). Количество водорода в образцах «тыл» составляет 1,5 ppm, количество перлита – 28 %. Количество водорода в образцах «фронт» составляет 6,5 ppm, что привело к снижению доли перлита до 11 %. Указанные признаки являются индикаторами водородного воздействия на металл труб [8, 9]. При этом не зафиксировано градиента в концентрациях ни водорода, ни углерода по толщине стенки трубы (ни с фронтовой, ни с тыловой сторон). Микроструктурное строение образцов «Экс-невод» аналогично образцам «тыл».
Металлическая матрица образцов «тыл» включает феррит, перлит, цементит. Частичное обезуглероживание микроструктуры с фронтовой стороны труб, как показано в [10], происходит за счет трансформации цементита в графит. В этом случае можно рассматривать такую структуру как композиционный материал, состоящий из металлической матрицы и графита [14].
При определении различия в температуропроводности образцов в виде отрезков труб («Экс-вод» и «Экс-невод») проведена серия испытаний согласно схеме № 1. Определялась разница между температурами на тыловых сторонах труб по формуле:
■ — t — t тр ‘'экс-невод |'экс-вод*
где t экс-невод и t экс-вод – температуры на тыловых сторонах отрезков труб образцов «Экс-вод» и «Экс-невод» соответственно.
По полученным данным построен график разницы температур исследуемых образцов от времени нагрева (рис. 3). Максимальный градиент температур между сравниваемыми трубами фиксируется после начала нагрева в течение 13÷19 мин. В этот период времени у трубы
а
б
Рис. 2. Микроструктура образцов при 500-крат.увел.: а – «фронт», б – «тыл»
Fig. 2. Microstructure of samples at 500x magnification: a – “front”, b – “rear”
Рис. 3. Изменение разницы температур между тыловыми сторонами труб образцов «Экс-вод» и «Эксневод» от времени нагрева
Fig. 3. Change in the temperature difference between the rear holes of the pipes of the “Ex-vod” and “Ex-nevod” samples depending on the heating time
«Экс-невод» изменяется температура по сечению труб эффективнее на 15÷16 %, по сравнению с трубами с маркировкой «Экс-вод» ( t экс-вод = 67÷100 оС, t экс-невод=78÷117 оС). В конечный момент нагрева (τ=80 мин), когда температуры на тыловых сторонах уже не меняются (не увеличиваются), разница в значениях уменьшается до 6,5 % (12 оС).
Для изучения причин снижения теплопроводности, а значит, и растечки температур по сечению труб с маркировкой «Экс-вод» проведены испытания по схеме № 2 (рис. 1б). Напомним, что вырезанные из «Экс-вод» образцы «фронт» имеют микроструктурную деструкцию, вызванную водородом, а образцы «тыл» имеют микроструктуру, близкую к новым трубным изделиям. При изучении теплопроводности этих образцов определялся температурный перепад по толщине стенки ( Δt ) по формуле (2), распределение температур по толщине стенки определялось по формуле (3), термические напряжения определялись по формуле (4) согласно [1]:
At tH tBH
где t н и t вн – температуры на нагреваемой наружной и внутренней поверхностях, t – текущая температура, х – текущая координата (отсчет от внутренней поверхности), δ – толщина стенки, β – коэффициент линейного расширения, Е – модуль упругости, μ – коэффициент Пуассона.
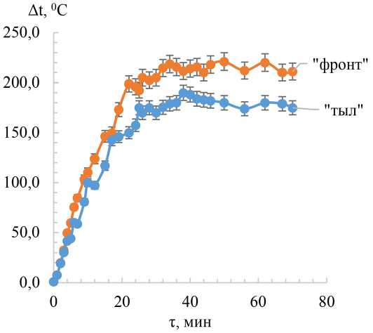
По полученным значениям построены графики зависимости температурного перепада по толщине стенки (Δt) от времени нагрева (τ) (рис. 4). Анализ полученных данных показывает, что образцы с маркировкой «фронт» имеют худшую теплопроводность, по сравнению с образцами «тыл». Вероятнее всего, наблюдаемое увеличение термического сопротивления образцов с маркировкой «фронт» связано со скоплением графита по границам зерен при распаде цемен-титной составляющей анализируемой стали. То есть, несмотря на обогащение металлической матрицы ферритом, имеющим теплопроводность, более чем в два раза превосходящую теплопроводность перлита, зафиксировано снижение общей теплопроводности образцов. На примере чугунов показано [11, 15], что это может быть связано с тем, что теплопроводность графита сильно анизотропна, зависит от его морфологии и не превышает 5.7 Вт/м·К. При пластинчатой форме графита теплопроводность уменьшается с повышением температуры, что и наблюдалось в настоящем эксперименте (рис. 4), что косвенно указывает на формирование при водородной атаке именно такой морфологии графита, однако для убедительного подтверждения данного факта требуются более детальные исследования.
Максимальный температурный перепад по сечению стенки из схемы испытаний № 2 составляет 34 оС («фронт» – Δt =224 оС, «тыл» – Δt =190 оС). Допустимость такого перепада температур можно косвенно оценить по коэффициенту растечки теплоты, учитывающему неравномерность тепловых нагрузок по периметру труб поверхности нагрева. Согласно [16] коэффициент растечки такой трубы составит менее 0.82, при рекомендуемом диапазоне 0.85–1.0. Также необходимо отметить, что конструкция поверхностей нагрева, экранирующих трубами топочное пространство, позволяет производить замену трубных элементов частями. В этом
Рис. 4. Температурный перепад по толщине стенки в зависимости от времени нагрева
Fig. 4. Temperature difference across the wall thickness depending on heating time
случае складывается ситуация, когда одновременно в работе находятся трубы, ослабленные водородом в процессе длительной эксплуатации, и замененные участки новых труб. При этом неравномерность тепловосприятия поверхностей нагрева может быть вызвана как разницей в теплопроводности труб, имеющих разную степень трансформации структуры под влиянием водорода, так и снижением теплопроводности отдельных труб с пониженным коэффициентом растечки. Известно, что увеличение неравномерности тепловосприятия даже в пределах одной отметки по высоте топки вызывает снижение надежности работы парогенерирующих труб из-за увеличения тепловой и гидравлической развертки.
По приведенным формулам (2)-(4) построены эпюры распределения температур и термических напряжений в стенке образцов «фронт» (рис. 5а) и «тыл» (рис. 5б) для разных моментов времени – 5, 10, 70 мин. Анализ полученных расчетно-экспериментальных данных показал, что внутренняя поверхность испытывает при прогреве напряжения растяжения, а наружная – сжатия. При этом пиковая нагрузка, соответствующая наибольшей разнице между напряжениями на поверхностях «фронт» и «тыл», наблюдается в начальный момент прогрева при τ=5 мин (σtвн (ф ронт ) =67,4 МПа, σtвн ( тыл ) =49,9 МПа, σtн (ф ронт ) = –134,9 МПа и σtн ( тыл ) = –99,9 МПа). Эта разница при τ=5 мин составляет 35 %, далее по мере прогрева уменьшается до 10 %.
Пиковый разброс в уровнях термических напряжений по сечению стенки труб в начальный момент прогрева объясняет факт развития повреждений ослабленных водородом труб поверхностей нагрева в процессе запуска энергетического котла. А высокий уровень напря- at МПа Gt МПа
а б
Рис. 5. Эпюры распределения температур и термических напряжений в стенке для разных моментов времени τ = 5, 10, 70 мин: а – «фронт», б – «тыл»
Fig. 5. Temperature distribution diagrams and thermal stresses in the wall for different moments of time τ = 5, 10, 70 min: a – “front”, b – “rear”
женности металла связан с анизотропными свойствами образованной под действием водорода композитной структуры, содержащей металлическую матрицу и графит.
Выводы
Расчетно-экспериментальным методом установлено снижение теплопроводности стали после трансформации (деструкции) микроструктуры под действием водорода. Несмотря на обогащение матрицы стали более проводящим компонентом (ферритом), теплопроводность металла труб уменьшается, предположительно, за счет скопления по границам зерен графита, обладающего значительной анизотропией и пониженной проводимостью.
Наблюдаемое на практике снижение эффективности работы энергетического котла может быть связано с увеличением неравномерности тепловосприятия поверхностей нагрева, содержащих в своем составе элементы с отличающимся структурным состоянием вследствие неравномерности водородного воздействия и практикуемой частичной замены таких элементов (парогенерирующих труб). Трубы, не имеющие микроструктурных трансформаций, обусловленных влиянием водорода, передают тепло по сечению труб эффективнее на 15–16 % по сравнению с трубами, имеющими такие изменения.
Пиковая нагрузка, при которой получен наибольший градиент термических напряжений в сечении односторонне нагреваемой трубы (35 %), соответствует моменту начального прогрева труб, далее по мере прогрева эта разница уменьшается до 10 %. Это обстоятельство объясняет факт развития повреждений ослабленных водородом труб поверхностей нагрева в процессе запуска энергетического котла.