Теплопередача через ограждающие конструкции здания в условиях возрастания температуры наружного воздуха и пульсации температуры теплоносителя

Бесплатный доступ

Введение. В условиях роста цен на энергоносители и ужесточения экологических норм поиск скрытых резервов экономии становится критически важным. В последнее время для решения проблемы повышения энергоэффективности зданий предпочтение отдается системам отопления с прерывистым режимом работы, среди которых особое место занимает низкочастотная пульсация температуры теплоносителя в контурах системы отопления. Цель исследования. Оценить влияние повышения температуры наружного воздуха и пульсации температуры теплоносителя на снижение плотности теплового потока через ограждающие конструкции здания индивидуальной постройки. Материалы и методы. Экспериментальное исследование проводилось в условиях возрастания температуры наружного воздуха под действием солнечной радиации и пульсации температуры теплоносителя. Режим низкочастотной пульсации температуры теплоносителя в системе отопления здания воспроизводился в соответствии с запатентованной технологией. В контуры системы отопления периодически подавался горячий или охлажденный теплоноситель, частота и амплитуда которого изменялась в пределах соответственно 0,001–0,003 Гц и 10–20 °С в зависимости от температуры теплоносителя, а также наружного и внутреннего воздуха в отдельном помещении жилого дома. Система отопления дополнительно оборудовалась трехходовым регулирующим клапаном, узлом управления с датчиками температуры теплоносителя в подающем и обратном трубопроводах, а также температуры наружного воздуха. Мониторинг параметров теплоносителя, температур наружного и внутреннего воздуха в помещении в точках измерения проводился с применением автоматизированной измерительной системы. Результаты исследования. При традиционном способе подачи теплоносителя в контуры отопления разность температур внутреннего и наружного воздуха снижается на 4,6 °С, а при пульсации температуры теплоносителя на 6,9 °С. Превышение средних значений плотности теплового потока в зонах измерения температур поверхности ограждающих конструкций при традиционном способе подачи теплоносителя в контуры системы отопления над средними значениями теплового потока при пульсации теплоносителя составляет от 34,49 % для зоны 2,5 м от пола до 47,42 % для зоны за отопительным прибором. Обсуждение и заключение. Снижение плотности теплового потока при пульсации теплоносителя зависит от зоны измерения температур относительно поверхности ограждающих конструкций, максимальное значение зафиксировано за отопительным прибором. В связи с этим целесообразно размещать отопительные приборы на внутренних ограждающих конструкциях зданий.

Еще

Теплопередача, тепловой поток, ограждающие конструкции, прерывистое отопление, низкочастотная пульсация температуры, теплоноситель

Короткий адрес: https://sciup.org/147253509

IDR: 147253509   |   УДК: 621.1.016.4   |   DOI: 10.15507/2658-4123.036.202601.158-182

Heat Transfer through Building Envelopes in the Conditions of Increasing Outdoor Air Temperature and Coolant Temperature Fluctuation

Introduction. With rising energy prices and stricter environmental regulations, it is critical to find hidden savings economy. Recently, for improving building energy efficiency the preference is given to intermittent operation heating systems among which low-frequency fluctuation of the coolant temperature in the heating system circuits occupies a special place. Aim of the Study. The study is aimed at evaluating the effect of an increase in outdoor air temperature and the coolant temperature fluctuation on a decrease in the density of heat flow through the envelopes of an individual design constructed building. Materials and Methods. The experimental study was conducted during increasing outdoor air temperature under the influence of solar radiation and coolant temperature fluctuation. Low-frequency coolant temperature fluctuation mode in the building heating system was simulated using the patented technology. To the heating system circuits, there was periodically supplied hot or cooled coolant, the frequency of which varied within 0.001–0.003 Hz and amplitude varied within 10–20 °C depending on the coolant temperature, and the outdoor and indoor air temperatures in a separate room of the residential building. The heating system was additionally equipped with a three-way control valve, a control unit with sensors for measuring coolant temperature in the supply and return pipes, and outdoor air temperature. The parameters of the coolant, the temperatures of the outdoor and indoor air in the room at the measuring points were monitored using an automated measuring system. Results. With the traditional method of coolant supplying to heating circuits, the temperature difference between indoor and outdoor air decreases by 4.6 °C, and with a fluctuation of the coolant temperature by 6.9 °C. When using the traditional method of supplying coolant to the heating system circuits, in the zones of measuring the envelope surface temperatures the excess of the average values of the heat flux density over the average values of the heat flux during the coolant fluctuation ranges from 34.49% for the zone 2.5 m from the floor to 47.42% for the zone behind the heater. Discussion and Conclusion. During the study, it was found that the decrease in heat flux density during the coolant fluctuation depends on the temperature measurement zone of the surface of the building envelope; the maximum value is fixed behind the heating device. Therefore, heating devices should be located on the internal building envelope.

Еще

Текст научной статьи Теплопередача через ограждающие конструкции здания в условиях возрастания температуры наружного воздуха и пульсации температуры теплоносителя

                                                           ISSN 2658-4123

ЭЛЕКТРОТЕХНОЛОГИИ, ЭЛЕКТРООБОРУДОВАНИЕ И ЭНЕРГОСБЕРЕЖЕНИЕ / ELECTRICAL TECHNOLOGY, ELECTRICAL EQUIPMENT AND ENERGY CONSERVATION

EDN:

National Research Mordovia State University, Saransk, Russian Federation,

Стратегия повышения энергоэффективности зданий в России до 2035 года, закрепленная в Энергетической стратегии Российской Федерации1 и госпрограм-ме «Энергосбережение»2, направлена на снижение энергоемкости ВВП на 35 % к 2035 году от уровня 2019 года. Основные меры данной стратегии включают технологическое развитие отрасли, связанное с использованием современных материалов, утеплением контуров зданий, установкой автоматизированных узлов управления тепловой энергией. При этом использование современных материалов и утепление фасадов решает только часть проблемы повышения энергоэффективности зданий на стадии нового строительства и капремонта. Более масштабным является установка автоматизированных узлов управления теплопотреблением в зданиях. Данное мероприятие охватывает как новое строительство, так и здания старой постройки, однако широкое распространение пока не получило в силу того, что традиционные технологии дают эффект только там, где есть «перетоп». Исходя из этого, для значительной части зданий управление теплопотреблением осуществляется централизованно на источниках тепловой энергии или центральных тепловых пунктах. Среди способов управления теплопотреблением преобладает качественный способ с применением в тепловых узлах зданий традиционных смесительных элеваторных узлов. В дополнение к данному способу у отдельных потребителей может присутствовать и местное (индивидуальное) количественное регулирование расхода теплоносителя через отопительный прибор. Однако применение приборов индивидуального регулирования в условиях отсутствия индивидуальных узлов учета потребленной тепловой энергии теряет актуальность. Кроме того, индивидуальное регулирование температурного режима в отдельных помещениях зданий приводит к гидравлической разбалансировке системы

Vol. 36, no. 1. 2026 ENGINEERING TECHNOLOGIES AND SYSTEMS .^Ts отопления всего здания и, как следствие, к «перетопам» отдельных помещений, нивелируя потенциальную экономию тепловой энергии.

Среди автоматизированных узлов управления теплопотреблением в зданиях с «перетопом» неплохо зарекомендовали себя погодозависимые регуляторы. Отдельные образцы сочетают в себе способ управления по основному возмущающему воздействию (температуре наружного воздуха) и управление с обратной связью по температуре воздуха в помещении. В отдельных случаях обратная связь управления потреблением тепловой энергии увязывается с температурой теплоносителя, отводимой из системы отопления. Как показывает практика энергетических обследований общественных и жилых зданий погодозависимые регуляторы потребления тепловой энергии исчерпали свой потенциал и требуют поиска новых технологий для их дальнейшего развития.

Популярной становится технология прерывистого отопления [1–3]. Предельным случаем прерывистого отопления является метод низкочастотной пульсации температуры теплоносителя в контурах системы отопления здания. Суть данного способа заключается в периодической подаче в контуры отопления то горячего, то охлажденного теплоносителя с низкой частотой (0,001–0,003 Гц) и меняющейся амплитудой от 10 °С до 20 °С в зависимости от температуры в подающем и обратном трубопроводах системы отопления, а также температуры наружного и внутреннего воздуха в отдельном помещении жилого дома [4]. Данная технология отрабатывалась на жилом двухэтажном здании индивидуальной постройки, а затем прошла адаптацию на трех общественных многоэтажных зданиях. Полученные результаты по сравнительным расчетам плотности теплового потока для традиционного и пульсирующего режима, и в целом по теплопотреблению, показывают высокую перспективность данной технологии (снижение теплопо-требления 20 % и более).

Целью эксперимента является сопоставление теплового потока через ограждающие конструкции в традиционном режиме и в режиме низкочастотной пульсации температуры теплоносителя в системе отопления здания индивидуальной постройки.

ОБЗОР ЛИТЕРАТУРЫ

Режимы регулирования систем централизованного теплоснабжения были описаны Е. Я. Соколовым3, А. Н., Сканавии, Л. М. Маховым4 [5; 6]. Они также рассмотрели системы отопления зданий. Изучена динамика процессов в отопительных приборах и ограждающих конструкциях зданий, тепло-гидравлический режим в системах отопления5 [7; 8].

Схемные решения и техническая реализация различных систем регулирования теплопотреблением зданий исследованы отечественными учеными [9; 10]. Часть работ направленана изучение вопросов эффективной эксплуатации зданий в нерабочее время (ночные и выходные часы)6 [11–13]. При таком использовании суммарная продолжительность периода, допускающая отклонение параметров микроклимата помещений, превышает период активной эксплуатации здания, при котором необходимы комфортные условия. Также представлены результаты адаптации технологии управления теплопотреблением на зданиях с теплоснабжением от централизованной системы7 [14; 15]. Рассмотрены вопросы отопления, вентиляции и кондиционирования с позиции теплофизики8 [16; 17].

Анализ исследований отечественных ученых позволяет сделать следующие выводы. Во-первых, экономия тепловой энергии может составлять не более 15–20 % от фактически складывающегося потребления тепловой энергии здания до реализации мероприятия. При этом оценка экономии осуществляется при приведении к единым условиям эксплуатации системы отопления, что практически недостижимо.

Во-вторых, экономия тепловой энергии достигается за счет ограничения (отклонений от комфортного теплового режима) в отдельных временных периодах суток и недель. При изменении внешних факторов (температура, влажность воздуха, скорость ветра) и инерционности системы управления теплопотреблением (регулирования) возникают периоды избыточной подачи тепловой энергии в здание («перетоп»). С данным явлением достаточно успешно справляется местная система погодозависимого регулирования. В кратковременных периодах «недотопопа» микроклимат в помещениях обеспечивается аккумулирующей способностью здания, характеризующейся теплоустойчивостью. Следует отметить, что экономия тепловой энергии отдельным зданием, в котором осуществляется регулирование потребления тепловой энергии, приводит к гидравлической неустойчивости всей системы теплоснабжения и перерасходу тепла остальными зданиями, необорудованными погодозависимыми регуляторами.

В-третьих, применяемые технологические и технические решения регулирования температуры теплоносителя в системе отопления сводятся к ограничению расхода теплоносителя как из системы теплоснабжения, так и по контурам системы отопления. Возникающая гидравлическая разбалансировка системы теплоснабжения в целом и системы отопления в частности приводит к существенным «перетопам» или «недотопам» отдельных помещений и здания целиком.

Недостатки приведенных выше подходов управления теплопотреблением заключаются в отсутствии взаимосвязи теплофизических параметров отапливаемых зданий и теплоэнергетических параметров теплоносителя. Параметры теплоносителя рассматриваются только с точки зрения эффективности работы теплопотребляющего оборудования, а не эффективности теплопотребления.

МАТЕРИАЛЫ И МЕТОДЫ

Объект исследования

Объектом экспериментальных исследований являлось помещение площадью 36 м2, расположенное на втором этаже дома индивидуальной постройки, ограждающие конструкции которого обращены на северо- и юго-запад. При этом на стене, обращенной на северо-запад, размещены оконные (световые) проемы из двойного стеклопакета. Система отопления представлена высокотемпературным контуром, включающим два отопительных секционных радиатора. Ограждающие конструкции включали кладку газобетона и облицовочного кирпича на песчано-цементном растворе с заливанием пустот между ними бетоном на основе керамической крошки. Это создавало зоны (точки) в ограждающей конструкции с различным термическим сопротивлением, что соответствовало программе эксперимента.

Предмет исследования – теплопередача через ограждающие конструкции здания в условиях возрастания температуры наружного воздуха и пульсации температур теплоносителя. В традиционном режиме пульсация температуры теплоносителя обусловлена инерционностью системы управления температурой в теплогенераторе.

Материалы и оборудование

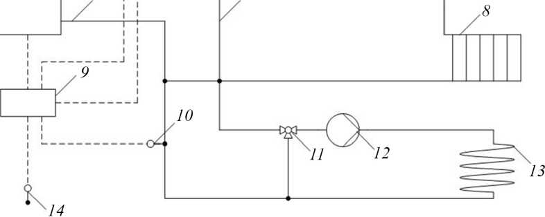
Технологическая (тепловая) схема обеспечения тепловой энергией индивидуального жилого дома (на цели отопления) включала: теплогенератор 1 ; подающий и обратный трубопроводы системы отопления 2 , 6; трехходовой регулирующий клапан 4 ; высокотемпературный 8 и низкотемпературный 13 контуры системы отопления; циркуляционные насосы 5 и 12 высокотемпературного и низкотемпературного контура; смесительный трехходовой кран 11 ; трубопровод подмешивания 7 ; датчик температуры охлажденного теплоносителя 10 ; узел управления 9 ; датчики температуры наружного воздуха 14 и теплоносителя в подающем трубопроводе 3 (рис. 1).

Управление теплопотреблением здания индивидуальной постройки осуществлялось изменением во времени частоты и амплитуды пульсации температуры, подаваемых в высокотемпературный контур 8 теплоносителя. Запись параметров теплоносителя (температура в подающем 2 и обратном 6 трубопроводах системы отопления от теплогенератора 1 и расход в подающем трубопроводе 2 системы отопления), температуры наружного и внутреннего воздуха в отдельном помещении жилого дома осуществлялась измерительной системой на базе контроллера L-CardE14-440, включающего датчики температуры и расхода. Измерение плотности теплового потока через ограждающие конструкции помещения и температур поверхности осуществлялось измерителями плотности теплового потока и температуры ИТП-МГ4.03/Х(У) «ПОТОК».

б                  7

Р и с. 1. Технологическая (тепловая) схема обеспечения тепловой энергией на цели отопления индивидуального жилого дома:

  • 1    - теплогенератор; 2, 6 - подающий и обратный трубопроводы системы отопления;

  • 3    – датчик температуры теплоносителя в подающем трубопроводе; 4 – трехходовой регулирующий клапан; 5 - циркуляционный насос высокотемпературного контура;

  • 7    - трубопровод подмешивания; 8 - высокотемпературный контур системы отопления;

9 - узел управления; 10 - датчик температуры охлажденного теплоносителя;

  • 11 – смесительный трехходовой кран; 12 – циркуляционный насос низкотемпературного контура;

  • 13    - низкотемпературный контур системы отопления;

  • 14    – датчик температуры наружного воздуха

F i g. 1. Technological (thermal) scheme of providing thermal energy for heating an individual residential building:

  • 1    - heat generator; 2 , 6 - supply and return pipelines of the heating system;

  • 3 - temperature sensor of the coolant in the supply pipeline; 4 - three-way control valve;

5 - circulation pump of a high-temperature circuit; 7 - mixing pipeline;

  • 8 – high–temperature circuit of the heating system; 9 – control unit; 10 – temperature sensor of the cooled coolant; 11 - mixing three-way valve; 12 - circulation pump of the low-temperature circuit;

13 – low-temperature circuit of the heating system; 14 – outdoor temperature sensor

Источник : рисунок 1 взят из9

Source : figure 1 is taken from9

Методы исследования

Режим низкочастотной пульсации температуры теплоносителя в системе отопления здания в целом воспроизводился в соответствии с запатентованной технологией, согласно которой в контуры системы отопления периодически подается то горячий, то охлажденный теплоноситель с частотой 0,001–0,003 Гц и приращением амплитуды 10–20 °С в зависимости от температуры в подающем, обратном трубопроводах системы отопления и наружного и внутреннего воздуха в отдельном помещении жилого дома [4].

Измерения проводились в тот период работы системы отопления здания, когда пульсация температуры теплоносителя в контурах соответствовала выше описываемой технологиии в режиме штатного управления температуры теплоносителя в теплогенераторе (традиционный способ).

Процедура исследования

Период проводимых измерений (10.03.2022–11.03.2022) характеризуется изменениями температуры наружного воздуха. Так с 6:00 до 12:00 каждого дня из-за активной солнечной радиации наблюдался рост температуры наружного воздуха. Согласно таблице температура наружного воздуха, по данным открытых источников, с 6:00 по 15:00 повысилась соответственно с –14,8 °С до –8,2 °С к 12:00 часам и незначительно понизилась до –10,8 °С к 15:00 при работе системы и проведении измерений 10.03.2022. За тоже время 11.03.2022 она повысилась с –15,5 °С до –9,3 °С к 12:00 часам и незначительно понизилась до –10,9 °С к 15:00. Скорость ветра в данное время 10.03.2022 составляла - 7 м/с, направление – северо-восток; 11.03.2022 – 4–6 м/с, направление – северо-восток, северный. Из данных показателей следует, что измерения проходили в сопоставимых условиях.

Т а б л и ц а

T a b l e

Значения параметров наружного воздуха в г. Саранск в период проведения эксперимента

Values of outdoor air parameters in Saransk during the experiment

Наименованиепараметра / Name of the parameter

Дата / Date

Значения по периодам времени / Values by time period

6:00

9:00

12:00

15:00

Температура наружного

10.03.2022

–14,80

–11,30

–8,20

–10,80

воздуха, °С / Outdoor air temperature, °C

11.03.2022

–15,50

–12,00

–9,30

–10,90

Скорость ветра, м/с / Wind

10.03.2022

7

7

7

7

speed, m/s

11.03.2022

6

5

6

4

Направление ветра / Wind

10.03.2022

северо-

северо-

северо-

северо-

direction

восток / northeast

восток / northeast

восток / northeast

восток / northeast

11.03.2022

северо-восток / northeast

северный / northern

северо-восток / northeast

северный / northern

Сравнительная оценка теплового потока через ограждающие конструкции здания при работе теплогенератора на настроенных, в соответствии с температурным графиком 95/70 °С, режимах (температура в подающем коллекторе на выходе из теплогенератора +78 °С...+80 °С); при отключенном, в традиционном режиме, трехходовым регулирующем клапане 4 и закрытом трубопроводе подмешивания 7 .

РЕЗУЛЬТАТЫ ИССЛЕДОВАНИЯ

Результаты экспериментальных исследований управления режимом потребления тепловой энергии жилого здания от индивидуального теплоисточника представлены на графиках (рис. 2, 3).

Время, с / Time, с

  • •—■—■—- за первые 360 с первого часа измерений, °C / for the first 360 seconds of the first hour of measurements, °C

  • •—•—•—-за первые 360 с второго часа измерений, °C / for the first 360 seconds of the second hour of measurements °C

  • * —1—•—-за первые 360 с третьего часа измерений, °C / for the first 360 seconds of the third hour of measurements, 0 C

  • • —11—- за первые 360 с четвертого часа измерений, °C / for the first 360 seconds of the fourth hour of measurements, °C

  • • —•—•—-за первые 360 с пятого часа измерений, °C / for the first 360 seconds of the fifth hour of measurements, °C

  • - —•—•—-за первые 360 с шестого часа измерений, °C / for the first 360 seconds of the sixth hour of measurements, °C

Р и с. 2. Температура теплоносителя в подающем трубопроводе высокотемпературного контура системы отопления при традиционном способе подачи теплоносителя (отрезки измерений продолжительностью 6 мин каждой из суммарной продолжительности измерения 6 часов)

F i g. 2. The coolant temperature in the supply pipeline of the high-temperature heating system circuit with the traditional method of coolant supply (measurement segments of 6 minutes each with a total measurement duration of 6 hours)

Источник : рисунки 2, 3 составлены авторами статьи в программе Advanced Grapher 2.2 .

Source : figures 2 and 3 were created by the authors of the article using the Advanced Grapher 2.2 program.

Время, с / Time, с

  • • —'—•—- за первые 360 с первого часа измерений, °C / for the first 360 seconds of the first hour of measurements, °C

  • • —•—■—-за первые 360 с второго часа измерений, °C / for the first 360 seconds of the second hour of measurements, °C

  • • —•—1—-за первые 360 с третьего часа измерений, °C / for the first 360 seconds of the third hour of measurements, °C

  • • —•—•—-за первые 360 с четвертого часа измерений, °C / for the first 360 seconds of the fourth hour of measurements, °C

  • • —-—-—-за первые 360 с пятого часа измерений, °C / or the first 360 seconds of the fifth hour of measurements, °C

за первые 360 с шестого часа измерений, °C / for the first 360 seconds of the sixth hour of measurements, °C

Р и с. 3. Температура теплоносителя в подающем трубопроводе высокотемпературного контура системы отопления при пульсации температуры теплоносителя с частотой 0,00278 Гц

F i g. 3. The coolant temperature in the supply pipeline of the high-temperature heating system circuit during the coolant temperature fluctuation with a frequency of 0.00278 Hz

При традиционном способе подачи (рис. 2), температура теплоносителя в подающем трубопроводе высокотемпературного контура находится в диапазоне +68...+78 °С и обусловлена инерционностью регулирования температуры теплоносителя в теплогенераторе. Период повышенных и пониженных от настроечных значений температур краткосрочен (не более 2–3 минут) и зависит от величины отклонения настроечной и расчетной температуры теплоносителя по температурному графику. Так для настроек при традиционном способе подачи теплоносителя продолжительность повышенных и пониженных значений соответственно составляют по 120–150 °С при общем отрезке цикла пульсации 560–600 °С (0,00167 Гц). При организации пульсации температуры теплоносителя в высокотемпературном контуре системы отопления с частотой 0,00278 Гц по описанной технологии продолжительность повышенных и пониженных значений от средних соответственно составляет 90 °С и 180 °С при общем отрезке цикла пульсации 360 °С. При этом продолжительность превышения температуры теплоносителя в подающем трубопроводе над расчетной температурой по температурному графику составляет не более 45 °С (рис. 3).

Средние значения температур внутреннего и наружного воздуха за каждый час измерения в период их роста представлены на рисунках 4 и 5. Температура наружного воздуха (рис. 4) в период измерения в режиме пульсации температуры теплоносителя (10.03.2022) подтверждает динамику температур наружного воздуха, приведенную в таблице и полученную по результатам анализа открытой информации с отклонением на 3–4 °С в большую сторону. Так, среднее часовое значение температуры в первый час измерения составляло –13,663 °С, и далее в последующие часы повышалась до –6,855 °С. Температура наружного воздуха 11.03.2022 при традиционном способе подачи теплоносителя также выше значений, приведенных в таблице: –10,986 °С в первый час измерения. Далее температура повышалась до –4,982 °С к 12 часам дня (по истечению 5 часов измерений) и снижалась до –6,587 °С к окончанию измерений.

При теплоснабжении здания индивидуальной постройки в период измерения (10.03.2022) в пульсирующем режиме подачи теплоносителя, температура внутреннего воздуха (рис. 5) в течение первого часа росла с +23,607 °С до +23,765 °С и далее не выходила за область комфортных плановых значений (+23...+24 °С). Температура внутреннего воздуха, составляющая +24,653 °С в 7:00 утра 11.03.2022 превышала плановую (комфортную) температуру и к 12:00 при условии отсутствия погодозависимого управления достигла +26,36 °С.

Р и с. 4. Среднечасовые температуры наружного воздуха в период измерений 10.03.2022–11.03.2022:

1 – средние часовые (дата измерения: 11.03.2022);

2 – средние часовые (дата измерения: 10.03.2022)

F i g. 4. Average hourly outdoor temperatures during the measurement period of 10.03.2022–11.03.2022:

1 – average hourly (measurement date: 11.03.2022);

2 – average hourly (measurement date: 10.03.2022)

Источник : рисунки 4–13 составлены авторами статьи в программе Advanced Grapher 2.2 .

Source : figures 4–13 were created by the authors of the article using the Advanced Grapher 2.2 program.

Р и с. 5. Среднечасовые значения температуры внутреннего воздуха в помещении в период измерений 10.03.2022-11.03.2022:

1 - средние часовые (дата измерения: 11.03.2022);

2 – средние часовые (дата измерения: 10.03.2022)

F i g. 5. Average hourly values of indoor air temperature during the measurement period 10.03.2022-11.03.2022:

1 - average hourly (measurement date: 11.03.2022);

2 – average hourly (measurement date: 10.03.2022)

Графики изменения температуры на поверхности ограждающей конструкции на уровне 0,5 м, 1,5 м, 2,5 м от пола и за отопительным прибором представлены на рисунках 6–9. В условиях ощутимого роста температуры внутреннего воздуха с +24,653 °С до +26,36 °С (дата измерения: 11.03.2022) температура на поверхности ограждающей конструкции повышается:

– на уровне 0,5 м от пола с +18,092 °С до +18,85 °С;

– на уровне 1,5 м от пола с +18,213 °С до +19,15 °С;

– на уровне 2,5 м от пола с +18,783 °С до +19,742 °С;

– на поверхности за отопительным прибором с +40,823 °С до +44,282 °С.

Температура поверхности ограждающей конструкции в точках измерения 0,5 м, 1,5 м, 2,5 м от уровня пола при пульсации температуры теплоносителя (дата измерения: 10.03.2022) в условиях незначительного роста температуры внутреннего воздуха с +23,607 °С до +23,765 °С понижается:

– на уровне 0,5 м от пола с +18,538 °С до +18,112 °С;

– на уровне 1,5 м от пола с +18,203 °С до +17,808 °С;

– на уровне 2,5 м от пола с +18,867 °С до +18,500 °С;

– на поверхности за отопительным прибором с 37,725 °С до 37,35 °С.

Р и с. 6. Среднечасовые значения температуры внутреннего воздуха и поверхности ограждающей конструкции на высоте 0,5 м от пола в помещении в период измерений 10.03.2022–11.03.2022:

1 – температура внутреннего воздуха (дата измерения: 11.03.2022);

  • 2    – температура внутреннего воздуха (дата измерения: 10.03.2022);

  • 3    – температура поверхности ограждающей конструкции на уровне 0,5 м от пола (дата измерения: 11.03.2022); 4 – температура поверхности ограждающей конструкции на уровне 0,5 м от пола (дата измерения: 10.03.2022)

F i g. 6. Average hourly values of the temperature of the indoor air and the surface of the envelope at a height of 0.5 m from the floor in the room during the measurement period 03.10.2022–03.11.2022:

  • 1    – the temperature of the indoor air (date of measurement: 03.11.2022);

  • 2    – the temperature of the indoor air (date of measurement: 03.10.2022);

  • 3    – the temperature of the surface of the envelope at 0.5 m from the floor (date of measurement: 03.11.2022); 4 – surface temperature of the envelope at 0.5 m from the floor (date of measurement: 03.10.2022)

Р и с. 7. Среднечасовые значения температуры внутреннего воздуха и поверхности ограждающей конструкции на высоте 1,5 м от пола в помещении в период измерений 10.03.2022–11.03.2022:

1 – температура внутреннего воздуха (дата измерения: 11.03.2022);

2 – температура внутреннего воздуха (дата измерения: 10.03.2022);

  • 3    – температура поверхности ограждающей конструкции(дата измерения: 11.03.2022);

  • 4    – температура поверхности ограждающей конструкции на (дата измерения: 10.03.2022)

F i g. 7. Average hourly values of the temperature of the indoor air and the surface of the envelope at a height of 1.5 m from the floor in the room during the measurement period 03.10.2022–03.11.2022:

1 – the temperature of the indoor air (date of measurement: 03.11.2022);

2 – the temperature of the indoor air (date of measurement: 03.10.2022);

  • 3    – the temperature of the surface of the envelope (date of measurement: 03.11.2022);

  • 4    – surface temperature of the envelope at (measurement date: 03.10.2022)

Р и с. 8. Среднечасовые значения температуры внутреннего воздуха и поверхности ограждающей конструкции на высоте 2,5 м от пола в помещении в период измерений 10.03.2022–11.03.2022:

1 – температура внутреннего воздуха (дата измерения: 11.03.2022);

2 – температура внутреннего воздуха (дата измерения: 10.03.2022);

3 – температура поверхности ограждающей конструкции (дата измерения: 11.03.2022); 4 – температура поверхности ограждающей конструкции (дата измерения: 10.03.2022)

F i g. 8. Average hourly values of the temperature of the indoor air and the surface of the envelope at a height of 2.5 m from the floor in the room during the measurement period 03.10.2022–03.11.2022:

1 – the temperature of the indoor air (date of measurement: 03.11.2022);

2 – the temperature of the indoor air (date of measurement: 03.10.2022);

  • 3    – the temperature of the surface of the envelope (date measurements: 03.11.2022);

  • 4    – surface temperature of the envelope (measurement date: 03.10.2022)

Р и с. 9. Среднечасовые значения температуры внутреннего воздуха и поверхности ограждающей конструкции за отопительным прибором в помещении в период измерений 10.03.2022–11.03.2022:

  • 1    – температура поверхности ограждающей конструкции (дата измерения: 11.03.2022);

  • 2    – температура поверхности ограждающей конструкции (дата измерения: 10.03.2022): 3 – температура внутреннего воздуха (дата измерения: 11.03.2022);

4 – температура внутреннего воздуха (дата измерения: 10.03.2022)

F i g. 9. Average hourly values of the temperature of the indoor air and the surface of the envelope behind the heating device in the room during the measurement period 03.10.2022–03.11.2022:

  • 1    – the temperature of the surface of the envelope (date of measurement: 03.11.2022);

  • 2    – surface temperature of the envelope (measurement date: 03.10.2022);

  • 3    – the temperature of the indoor air (date of measurement: 03.11.2022);

  • 4    – the temperature of the indoor air (date of measurement: 03.10.2022)

На рисунках 10–13 представлены средние значения разности температур внутреннего и наружного воздуха, температур на поверхности ограждающих конструкций и тепловой поток через ограждающие конструкции, измеренные в точках на уровне 0,5 м, 1,5 м, 2,5 м и за отопительным прибором в рассматриваемые выше период и даты.

Р и с. 10. Разность температуры внутреннего и наружного воздуха, температура ограждающей конструкции и тепловой поток через ограждающие конструкции на высоте 0,5 м от пола в помещении в период измерений 10.03.2022–11.03.2022:

  • 1    – разность температур внутреннего и наружного воздуха (дата измерения: 10.03.2022);

  • 2    – разность температур внутреннего и наружного воздуха (дата измерения: 11.03.2022); 3 – тепловой поток через ограждающие конструкции(дата измерения: 11.03.2022);

  • 4    – температура поверхности ограждающей конструкции (дата измерения: 11.03.2022);

  • 5    – температура поверхности ограждающей конструкции (дата измерения: 10.03.2022);

  • 6    – тепловой поток через ограждающие конструкции(дата измерения: 10.03.2022)

F i g. 10. The temperature difference between indoor and outdoor air, the temperature of the envelope and the heat flow through the envelope at a height of 0.5 m from the floor in the room during the measurement period 03.10.2022–03.11.2022:

  • 1    – the temperature difference between indoor and outdoor air (measurement date: 03.10.2022); 2 – the temperature difference between indoor and outdoor air (measurement date: 03.11.2022); 3 – heat flow through the envelope (measurement date: 03.11.2022);

4 – surface temperature of the envelope (measurement date: 03.11.2022);

5 – surface temperature of the envelope (measurement date: 03.10.2022);

6 – heat flow through the envelope (measurement date: 03.10.2022)

Р и с. 11. Разность температуры внутреннего и наружного воздуха, температура ограждающей конструкции и тепловой поток через ограждающие конструкции на высоте 1,5 м от пола в помещении в период измерений 10.03.2022–11.03.2022:

1 – разность температур внутреннего и наружного воздуха (дата измерения: 10.03.2022);

  • 2    – разность температур внутреннего и наружного воздуха (дата измерения: 11.03.2022);

  • 3    – тепловой поток через ограждающие конструкции(дата измерения: 11.03.2022);

  • 4    – тепловой поток через ограждающие конструкции(дата измерения: 10.03.2022);

  • 5    – температура поверхности ограждающей конструкции (дата измерения: 11.03.2022);

  • 6    – температура поверхности ограждающей конструкции(дата измерения: 10.03.2022)

F i g. 11. The temperature difference between indoor and outdoor air, the temperature of the envelope and the heat flow through the envelope at a height of 1.5 m from the floor in the room during the measurement period 03.10.2022–03.11.2022:

1 – the temperature difference between indoor and outdoor air (measurement date: 03.10.2022); 2 – the temperature difference between indoor and outdoor air (measurement date: 03.11.2022); 3 – heat flow through the envelope (measurement date: 03.11.2022);

4 – heat flow through the envelope (measurement date: 03.10.2022);

5 – surface temperature of the envelope (measurement date: 03.11.2022);

6 – surface temperature of the envelope (measurement date: 03.10.2022)

Р и с. 12. Разность температуры внутреннего и наружного воздуха, температура ограждающей конструкции и тепловой поток через ограждающие конструкции на высоте 2,5 м от пола в помещении в период измерений 10.03.2022–11.03.2022:

  • 1    – разность температур внутреннего и наружного воздуха (дата измерения: 10.03.2022);

  • 2    – разность температур внутреннего и наружного воздуха (дата измерения: 11.03.2022);

  • 3    – тепловой поток через ограждающие конструкции (дата измерения: 11.03.2022);

  • 4    – тепловой поток через ограждающие конструкции(дата измерения: 10.03.2022);

  • 5    – температура поверхности ограждающей конструкции(дата измерения: 11.03.2022);

  • 6    – температура поверхности ограждающей конструкции(дата измерения: 10.03.2022)

F i g. 12. The temperature difference between indoor and outdoor air, the temperature of the envelope and the heat flow through the envelope at a height of 2.5 m from the floor in the room during the measurement period 03.10.2022–03.11.2022:

  • 1    – the temperature difference between indoor and outdoor air (measurement date: 03.10.2022);

2 – the temperature difference between indoor and outdoor air (measurement date: 03.11.2022);

3 – heat flow through the envelope (measurement date: 03.11.2022);

4 – heat flow through the envelope (measurement date: 03.10.2022);

5 – surface temperature of the envelope (measurement date: 03.11.2022);

6 – surface temperature of the enclose (measurement date: 03.10.2022)

Р и с. 13. Разность температуры внутреннего и наружного воздуха, температура поверхности ограждающей конструкции и тепловой поток через ограждающие конструкции за отопительным прибором в помещении в период измерений 10.03.2022–11.03.2022:

1 – тепловой поток через ограждающие конструкции (дата измерения: 11.03.2022);

2 – тепловой поток через ограждающие конструкции (дата измерения: 10.03.2022);

3 – температура поверхности ограждающей конструкции (дата измерения: 11.03.2022);

4 – температура поверхности ограждающей конструкции (дата измерения: 10.03.2022);

5 – разность температур внутреннего и наружного воздуха (дата измерения: 10.03.2022);

6 – разность температур внутреннего и наружного воздуха (дата измерения: 11.03.2022)

F i g. 13. The temperature difference between indoor and outdoor air, the surface temperature of the envelope and the heat flow through the enclosing structures behind the heating device in the room during the measurement period 03.10.2022–03.11.2022:

1 – heat flow through the envelope (measurement date: 03.11.2022);

2 – heat flow through the enclosing structures (measurement date: 03.10.2022);

3 – temperature surface of the envelope (date of measurement: 03.11.2022);

4 – surface temperature of the envelope (date of measurement: 03.10.2022);

  • 5    – temperature difference between indoor and outdoor air (date of measurement: 03.10.2022);

  • 6    – temperature difference between indoor and outdoor air (date of measurement: 03.11.2022)

Из приведенного графика следует, что температура внутреннего воздуха в помещении при неизменных в период измерения начальных (на начало измерений) настроек в управлении системы отопления и в теплогенераторе (на источнике тепловой энергии) как при традиционном способе подачи теплоносителя, так и при пульсации температуры теплоносителя в высокотемпературном контуре системы отопления растет с повышением температуры наружного воздуха.

Повышение температуры наружного воздуха приводит к снижению разности температур внутреннего и наружного воздуха: при традиционном способе 178                           Электротехнологии, электрооборудование и энергосбережение

Vol. 36, no. 1. 2026 ENGINEERING TECHNOLOGIES AND SYSTEMS .^Ts подачи теплоносителя (дата измерения 11.03.2022) разность температур снижалась с +35,639 °С до +31,004 °С с незначительным последующим ростом до +32,947 °С; при пульсации температуры теплоносителя в высокотемпературном контуре системы отопления разность температур внутреннего и наружного воздуха снижалась с +37,271 °С до +30,370 °С с последующим незначительным ростом до +30,620 °С. При этом температура на поверхности ограждающих конструкций здания возрастает при традиционном способе подачи теплоносителя и снижается при пульсации температуры теплоносителя в контурах системы отопления.

Получены зависимости теплового потока через ограждающие конструкции от уровня размещения зоны измерения над поверхностью пола. При пульсации температуры теплоносителя в контурах системы отопления за период измерения средние часовые значения теплового потока в зоне измерения 0,5 м от поверхности пола возрастали с 13,508 Вт/м2 до 16,56 Вт/м2; при традиционном способе подачи – с 18,743 Вт/м2 до 22,625 Вт/м2. Для зоны измерения 1,5 м от поверхности пола соответственно возрастали с 18,59 Вт/м2 до 22,86 Вт/м2 при пульсации и с 25,993 Вт/м2 до 30,785 Вт/м2 при традиционном способе. Для зоны измерения 2,5 м от поверхности пола при пульсации – с 22,885 Вт/м2 до 28,26 Вт/м2; при традиционном способе – с 32,237 Вт/м2 до 36,88 Вт/м2. Однако для зоны измерения за отопительным прибором средние часовые значения теплового потока при пульсации температуры повысились с 47,412 Вт/м2 до 49,643 Вт/м2, а при традиционном способе снижались с 86,761 Вт/м2 до 66,417 Вт/м2.

ОБСУЖДЕНИЕ И ЗАКЛЮЧЕНИЕ

Проведенные экспериментальные исследования позволяют оценить влияние повышения температуры наружного воздуха и организации пульсации температуры теплоносителя в системе отопления на разность температур внутреннего и наружного воздуха, плотность теплового потока через ограждающие конструкции для различных зон от уровня пола для здания индивидуальной постройки. Разность температур внутреннего и наружного воздуха с повышением температуры наружного воздуха снижается интенсивнее в режиме пульсации температуры теплоносителя в системе отопления по сравнению с традиционным способом подачи теплоносителя в контуры системы отопления. Что касается средних значений плотности теплового потока, то их превышение в зонах измерения температур поверхности ограждающих конструкций при традиционном способе подачи теплоносителя в контуры системы отопления над средними значениями плотности теплового потока при пульсации теплоносителя соответственно составляет: для зоны 0,5 м от пола – 37,83 %; для зоны 1,5 м от пола – 37,04 %; для зоны 2,5 м от пола – 34,49 %; для зоны за отопительным прибором – 47,42 %. Данные превышения являются обоснованным потенциалом снижения теплового потока, обусловленного созданием низкочастотной пульсации температуры теплоносителя в контурах системы отопления здания. Последующая адаптация данной технологии на трех общественных зданиях показала снижение теплопо-требления по сравнению с традиционным режимом подачи теплоносителя от 20 % до 37 % и может быть рекомендована для различных групп зданий, в том числе и сельскохозяйственного назначения.