Постановка задачи разработки методики проектирования цезиевой системы космической термоэмиссионной энергетической установки

Бесплатный доступ

В статье изложен подход к проектированию регенеративной цезиевой системы, основанный на обеспечении теплового состояния для последующего многократного использования цезия в процессе эксплуатации космической ядерной энергетической установки. Разрабатывается методика проектирования цезиевой системы термоэмиссионной энергетической установки. Выявляются основные вопросы, влияющие на работоспособность, ставится задача по нахождению оптимальных конструкторских решений. Приводятся некоторые методы обеспечения оптимального теплового состояния цезиевой системы.

Космическая ядерная энергоустановка, космический аппарат, термоэмиссионный преобразователь, реактор-преобразователь, цезий, межэлектродный зазор, работа выхода, пространственный заряд, газовые продукты деления, генератор пара цезия, регенеративный цезиевый цикл, капиллярный насос, тепловая труба

Еще

Короткий адрес: https://sciup.org/143185382

IDR: 143185382   |   УДК: 629.78.064.54

Setting a task of developing a design technique for cesium system of a space thermal emission power generating unit

The article presents a design approach for regenerative cesium system based on ensuring a thermal state for subsequent multiple use of cesium during operation of a space nuclear power generating unit. A design technique for cesium system of the thermal emission power generating unit is being developed. The basic issues affecting the functionality are identified, the task of finding optimal design solutions is set. Some methods for ensuring the optimal thermal state of the cesium system are given.

Текст научной статьи Постановка задачи разработки методики проектирования цезиевой системы космической термоэмиссионной энергетической установки

В начале второй половины XX века на волне освоения космоса в СССР и США, а также ряде других стран, практически одновременно велись разработка и исследование источников энергии для космических аппаратов (КА). Относительно дешёвые и простые в изготовлении фотоэлектрические преобразователи, широко распространённые в настоящее время, вполне отвечают этим требованиям, однако они имеют большие габаритные характеристики и не подходят для ряда современных задач.

Наибольший интерес для решения этих задач вызывает применение космических ядерных энергоустановок (КЯЭУ) [1]. Наибольшая энергоёмкость, а также компактность таких источников, выгодно отличают КЯЭУ от других альтернативных источни- ков энергии, пригодных для использования в космосе — радиоизотопных термоэлектрогенераторов и химических источников электроэнергии [2]. Хотя количество успешно эксплуатировавшихся в космосе радиоизотопных термоэлектрогенераторов составляет уже несколько десятков [3, 4].

К первому реализованному проекту КЯЭУ с полным основанием можно отнести американскую SNAP-10А [5]. После 43-суточной работы установка прекратила свое существование [6]. И хотя в США разрабатывались и другие типы КЯЭУ, доведённые до разной степени реализации, они всё же остались на Земле.

В СССР работа по созданию КЯЭУ началась в 1956 г. [7]. С 1970 по 1988 г. Советский Союз являлся безусловным лидером в этом направлении, выпустив несколько моделей КЯЭУ первого поколения, таких как «Бук», «Тополь», а также «Енисей» [8, 9].

Других запусков КА с реакторными установками на борту до настоящего момента в мире не производилось.

На текущий момент работы по созданию КЯЭУ второго поколения ведутся как в Российской Федерации, так и за рубежом.

Присутствие на борту КА КЯЭУ большой мощности предполагает наличие большого количества тепловой энергии, которая может быть преобразована в электрическую при помощи как прямого преобразования (термоэлектрического или термоэмиссионного), так и термомеханического (в энергетических установках замкнутых циклов, таких как газотурбинная установка на основе цикла Брайтона, паросиловая энергоустановка с циклом Ренкина, двигатели Стирлинга, а также установки с термоакустическим двигателем).

При сравнении методов преобразования тепловой энергии в электрическую термоэмиссионный метод, использовавшийся в последних моделях КЯЭУ первого поколения, таких как «Тополь» и «Енисей», в отличие от машинного преобразования (с газотурбинной и паротурбинной установкой или преобразователем на основе двигателя Стирлинга) имеет ряд преимуществ.

Отсутствие в преобразователе движущихся частей обеспечивает более высокую надёжность конструкции, существенно уменьшает вибрационные воздействия, возникающие при работе энергоустановки, а также позволяет эксплуатировать установку без систематического обслуживания.

Работа термоэмиссионного преобразователя при достаточно высоких температурах теплоносителя (более 600 °С) требует меньшей площади холодильника-излучателя, необходимого для сброса излишней тепловой энергии, а следовательно, и уменьшения его массы и габаритов КЯЭУ по сравнению с машинными преобразователями.

Для стабильной работы термоэмиссионного преобразователя принципиальное значение имеет подача в зазор между эмиттером (катодом) и коллектором (анодом) паров цезия. Такую задачу решает цезиевая система (ЦС).

Подача пара цезия при поддержании заданных значений температуры и давления выполняет сразу несколько функций.

Во-первых , уменьшение работы выхода электронов — минимальной энергии, которую необходимо сообщить электрону для его выхода за пределы объёма твёрдого тела. Работа выхода может быть существенно уменьшена адсорбцией на поверхность эмиттера атомов цезия с малой ионизацией, что влечёт за собой увеличение КПД преобразователя, позволяет уменьшить рабочую температуру эмиттера и получение оптимальной вольтамперной характеристики.

Во-вторых , введение легкоионизи-рующихся атомов цезия нейтрализует пространственный заряд, образующийся при неоднородности электрического поля вблизи поверхности эмиттера.

Также на стабильную работу реактора-преобразователя (РП) большое влияние оказывает постоянство геометрических параметров межэлектродного зазора между эмиттером и коллектором, составляющего доли миллиметра. Для предотвращения влияния разбухания топлива на геометрию зазора необходимо постоянно стравливать излишки газовых продуктов деления (ГПД) топлива. При решении одной проблемы возникает другая, так как газовые примеси и «пятна» конденсирующихся продуктов деления даже при малой концентрации могут оказывать значительное отрицательное влияние на термоэмиссионные характеристики термоэмиссионного преобразователя. Отработавшие пары цезия необходимо обновлять и вместе с ГПД постоянно откачивать из объёма межэлектродного зазора.

Примерами ЦС могут послужить как расходные ЦС КЯЭУ «Тополь» и «Енисей» с жидкометаллическим источником (генератором) пара цезия, так и цезиевые системы, основанные на других видах источников пара цезия, отличающихся как конструктивно, так и принципом работы. К таким источникам можно отнести источник паров цезия с капиллярным саморегулированием для термоэмиссионных ЯЭУ [10]; источник паров цезия на основе тепловых и газорегулируемых тепловых труб (ТТ) [11]; источник паров цезия фитильного типа [12]; источник паров цезия на основе слоистых соединений цезия с графитом [13].

Однако очевидно, что возрастающие требования по энерговооружённости и ресурсу КЯЭУ требуют и соответствующего усовершенствования конструкции. В долгоресурсных КЯЭУ второго поколения необходимо использовать ЦС регенеративного цезиевого цикла [14, 15]. Это позволит снизить массу заправляемого цезия. Такая ЦС за счёт многократного использования цезия позволит обеспечить необходимую концентрацию и расход цезия в КЯЭУ.

Вопросы проектирования регенеративной цезиевой системы КЯЭУ

Разрабатываемая регенеративная цезиевая система должна выполнять следующие функции:

  • •    консервацию цезия в жидкой фазе в герметичном объёме (что препятствует попаданию в цезий посторонних примесей) до запуска энергоустановки;

  • •    создание направленного напора для подпитки зоны испарения (парообразования) жидким цезием;

  • •    получение из жидкого цезия пара и его подачу в РП с требуемым

давлением, а также поддержание давления на оптимальном уровне;

  • •    регенерацию и многократное повторное использование цезия в процессе эксплуатации КЯЭУ на протяжении всего её ресурса;

  • •    отделение пара цезия при его регенерации от ГПД;

  • •    удержание продуктов взаимодействия цезия с осколками деления внутри своего объёма;

  • •    вакуумирование цезиевых полостей РП для удаления консервационных газов перед выведением энергоустановки на режим электрогенерации;

  • •    вывод ГПД из полостей РП в окружающее (космическое) пространство;

  • •    предотвращение утечки цезия в окружающее пространство;

  • •    обеспечение оптимальных температурных характеристик узлов и агрегатов ЦС, позволяющих, с одной стороны, предотвратить появление холодных точек в системе, а с другой — иметь возможность конденсации цезия в объёме генератора пара цезия (ГПЦ);

  • •    регулирование температуры испарения цезия для регулирования электрогенерации РП на разных энергетических уставках.

Таким образом, основными отличиями регенеративной ЦС от расходной являются наличие устройства для охлаждения отработавшего в преобразователе цезия, его конденсации и отделения от ГПД, а также подача жидкого очищенного цезия в генератор пара.

При проектировании ЦС КЯЭУ возникает ряд ограничений, связанных с функционированием установки в космическом пространстве. Необходимо разместить систему в ограниченном пространстве непосредственно вблизи горячего корпуса реактора-преобразователя, при этом не выходя за пределы угла конуса радиационной защиты (рис. 1).

Наилучшим, с точки зрения теплового состояния системы, можно определить размещение системы на «переднем» торце корпуса РП. Такое расположение поможет решить вопросы теплового состояния, а также позволит объединить ЦС с РП в единый блок. Это, в свою очередь, существенно облегчит технологические работы с цезиевой полостью.

Рис. 1. Зоны размещения цезиевой системы (ЦС) космической ядерной энергоустановки (КЯЭУ): 1 — зона размещения ЦС на «переднем» торце корпуса реактора-преобразователя; 2 — зона размещения ЦС между реактором-преобразователем и отсеком радиационной защиты КЯЭУ; 3 — зона размещения ЦС за отсеком радиационной защиты КЯЭУ; 4 — угол конуса радиационной защиты; 5 — радиационная защита; 6 — реактор-преобразователь (рисунок создан авторами)

Альтернативными местами размещения ЦС можно считать установку на «заднем» торце корпуса РП или ещё дальше — за отсеком радиационной защиты. Оба этих решения освобождают «передний» торец корпуса РП для возможности проведения «безъядерных» испытаний преобразования тепловой энергии [при использовании электрогенерирующих каналов (ЭГК) с возможностью загрузки ядерного топлива непосредственно в активную зону реактора, аналогично ЭГК, использованным в КЯЭУ «Енисей»].

Однако размещение блока ЦС в пространстве между РП и отсеком радиационной защиты накладывает жёсткие габаритные ограничения и затрудняет теплоотвод, необходимый для успешного поддержания заданного значения давления при подаче пара цезия.

Размещение ЦС за отсеком радиационной защиты увеличивает вероятность возникновения холодных точек в цезиевых трактах, напрямую связанных с работоспособностью системы и КЯЭУ в целом. Требуется принятие мер по дополнительному обогреву цезиевых трактов, клапанов и других узлов из состава системы, что может негативно сказаться на массогабаритных параметрах КЯЭУ, а также значительно затруднить наземные технологические операции, проходящие в вакуумных камерах (из-за наличия в данном случае габаритного отсека радиационной защиты в пространстве между ЦС и РП).

Примером ЦС может послужить расходная ЦС КЯЭУ «Тополь» (рис. 2). Система подтвердила свою работоспособность как при наземных, так и при лётных испытаниях. Главным агрегатом системы был термостат — ГПЦ. Заданное давление пара цезия поддерживалось «холодной» точкой ГПЦ по показателям термопар. Конструкция ГПЦ в виде «чернильницы-непроливайки» исключала возможность попадания жидкого цезия в полость преобразователя.

Во время работы установки пар цезия из ГПЦ попадал в полость преобразователя для выполнения своих функций и выводился вместе с ГПД через дроссель, характеристики которого определяли расход пара в системе. Далее пар цезия попадал в ловушку, где поглощался пиролитическим графитом, а ГПД выводились в открытое пространство.

Рис. 2. Принципиальная схема цезиевой системы космической ядерной энергетической установки «Тополь»: РП — реактор-преобразователь; ГПЦ — генератор паров цезия; КП — пусковой клапан; КО — клапан отсечной; КВ — клапан вакуумирования; Н — накопитель цезия; Т1, Т2 — термометры (рисунок создан авторами)

Недостатком ЦС КЯЭУ «Тополь» являлось однократное применение цезия, что, учитывая многократное увеличение расхода цезия вкупе с массогабаритными ограничениями конструкции системы, ограничивает её применение на многолетнем ресурсе.

Один из острых вопросов проектирования долгоресурсной ЦС КЯЭУ — снижение массы как заправляемого цезия, так и элементов конструкции.

Использование ЦС регенеративного цезиевого цикла влечёт за собой многократное снижение массы заправляемого цезия в условиях функционирования долгоресурсной космической термоэмиссионной энергетической установки. Такая система за счёт многократного использования цезия позволит обеспечить необходимую концентрацию и расход цезия в цезиевой полости преобразователя для поддержания работоспособности и выработки электроэнергии на заданном уровне в течение всего периода функционирования КЯЭУ.

Для снижения массы элементов конструкции можно рассматривать изготовление силовых элементов конструкции из лёгких углеродных материалов. Альтернативным решением может выступить применение аддитивных технологий, дающих преимущество в массе элементов конструкции при сохранении прочностных характеристик, особенно при изготовлении компактных элементов сложной конфигурации. Силовые конструкции ЦС главным образом воспринимают нагрузки при выведении КА на рабочую орбиту и нагрузки, возникающие вследствие теплового расширения материалов, входящих в состав системы.

Для обеспечения последующего многократного использования цезия в процессе эксплуатации КЯЭУ необходимо обеспечить транспортирование сконденсированного жидкого цезия от «зоны конденсации» к месту его испарения. В отсутствие гравитации это может быть достигнуто путём использования электромагнитного насоса или насоса, работа которого основана на использовании капиллярного эффекта.

Использование электромагнитного насоса требует его бесперебойного энергоснабжения и может негативно сказаться на надёжности ЦС и, следовательно, всей КЯЭУ в целом.

Наиболее перспективным является использование насоса, работа которого основана на использовании капиллярного эффекта — процесса, при котором жидкость течёт в узком пространстве (капилляре) без помощи или даже против какой-либо внешней силы. Такой насос способен обеспечить постоянство напорных характеристик на протяжении всего ресурса КЯЭУ (рис. 3).

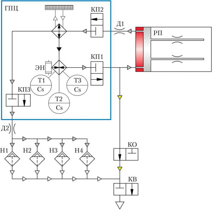
Рис. 3. Принципиальная схема регенеративной цезиевой системы космической ядерной энергетической установки: РП — реактор-преобразователь; ГПЦ — генератор паров цезия; КП1, КП2, КП3 — клапаны пусковые; КО — клапан отсечной; КВ — клапан вакуумирования; Т1, Т2, Т3 — термометры; Д1, Д2 — дроссели; Н1, Н2, Н3, Н4 — накопители цезия; ЭН — электронагреватель ГПЦ (рисунок создан авторами)

Капиллярный насос можно полу чить при помощи пористого мате

-

-

риала. В качестве пористого материала

можно мерами

использовать как сетку с раз-

0,4×0,4 мм,

ячеек от 0,1×0,1 мм до так и спечённое металло-

волокно из проволоки 00,03 мм, кото рое, благодаря специальным техноло

-

-

гическим приёмам, можно сформировать в структуру с соответствующей

пористостью и эффективными раз мерами капилляров. Причём для соз

-

-

дания

направленного

капиллярного

напора от «зоны конденсации» к месту испарения цезия пористая структура должна быть сформирована таким образом, что размеры пор (капилля-

ров) лению

уменьшались бы по

от

испарения.

зоны конденсации Также возможно

направ-к зоне

ление пористой структуры

ного насоса путём применения тивных технологий.

изготов капилляр

-

-

адди-

Причём пористый

можно подачи ния, а

использовать

цезия, также

но и

материал не только для его

воз-для хране-

создания поверхностей

конденсации

и

Объединив эти корпусе, можно

испарения

сочетающее

в

функции насоса, сатора и ГПЦ.

элементы получить себе конден-

цезия. едином

Данное устройство при

использовании порис того материала из спе

-

-

чённого

металловолокна

способно работать при

различных

температур-

ных уставках (270^335 °С) зоны испарения, позволяя развить расход цезия до 1 500 г/сут.

Система хранения запаса жидкого цезия, основанная на использовании капиллярных сил пористого материала, способна выполнять свою функцию при значении температуры «холодной»

зоны

конденсации до

200 °С. При достижении

более тур

высоких темпера-возможно снижение

ресурса ЦС.

Использование альтернативного способа хранения

цезия цезия

в

виде слоистых

с графитом может

соединений существенно

увеличить пературы лирования системе,

нике янный трации

максимальное значение

хранения, однако давления паров спроектированной

для

тем регу

-

-

цезия в

на

источ-

данного типа, требуется посто

решение

контроль цезия в может

изменения пирографите.

-

концен-Такое

негативно сказаться

на надёжности ЦС и ведёт к увели-

чению однако нативы зование

массы элементов конструкции,

применением данной

может источника

служить

стых соединений

в цезия

виде

альтер исполь слои

-

-

-

с графитом

в термоэмиссионном РП с цезий бариевым рабочим телом [16], напри мер в РП с термоэмиссионными клю

-

-

-

чевыми элементами [17].

Отделения пара цезия, прошедшего через преобразователь, от ГПД можно

достичь путём конденсации

цезия

в объёме ГПЦ на поверхности зоны

конденсации, «лабиринта».

изготовленной в

виде

При

руемые продукты

этом неконденси-деления должны

свободно проходить через «лабиринт» и выводиться в открытое пространство (рис. 4).

в устройство,

зона

Рис. 4. Схема размещения дополнительного холодильника-излучателя: 1 конденсации; 2 — зона испарения; 3 — лабиринт (рисунок создан авторами)

Сложность в проектировании такого устройства заключается в обеспечении теплового состояния «горячей» зоны испарения цезия (270...335 °С) и «холодной» зоны конденсации (60.200 °С) в непосредственной близости с жидкометаллическим теплоносителем с температурой ~600 °С на протяжении всего ресурса КЯЭУ.

Профилирование температурного поля может быть получено путём формирования пустот (отверстий) в конструкции устройства, снижающих тепловой поток от нагревателя.

Также для достижения комфортной температуры конденсации цезия необходимо обеспечить эффективный теплоотвод от ГПЦ. Это может быть достигнуто путём нанесения на внешние поверхности «зоны испарения» терморегулирующего покрытия, имеющего степень черноты 0,9.

Дополнительным способом увеличения теплоотвода может быть использова-

Такие элементы могут быть использованы также для подвода тепла к трубопроводам и арматуре ЦС для достижения необходимого температурного состояния и исключения неконтролируемой конденсации паров цезия.

На данный момент проработана концепция эффективного теплоотвода от внутренних, затруднённых для теплоотвода излучением, поверхностей «зоны конденсации» ГПЦ при помощи использования холодильника-излучателя на основе ТТ (рис. 6) [18]. Основные ограничения на количество ТТ и способ размещения излучающих элементов накладывает размещение системы теплоотвода в ограниченном объёме.

В качестве теплоносителя в ТТ может быть использована вода, обладающая наилучшими теплофизическими свойствами, позволяющими обеспечить наибольший теплоперенос при заданной температуре.

ние вспомогательного холодильника-излучателя для зоны конденсации ГПЦ.

Такого решения можно добиться при помощи увеличения поверхности теплосброса путём использования элементов из меди или теплопроводящего углерода (рис. 5). Причём элементы из теплопроводящего углерода имеют лучшую по сравнению с медью теплопроводность и при этом меньшую плотность, что ведёт к меньшей массе элементов.

Рис. 5. Схема размещения дополнительного холодильника-излучателя: 1 — генератор паров цезия; 2 — холодильник-излучатель (рисунок создан авторами)

Рис. 6. Схема размещения дополнительного холодильника-излучателя на основе тепловых труб: 1 – генератор паров цезия; 2 – холодильник-излучатель (рисунок создан авторами)

При подаче пара цезия через полость преобразователя в межэлектродные зазоры ЭГК необходимо обеспечить тепловое состояние трубопроводов и арматуры ЦС. Это необходимо для исключения возможности возникновения мест более низкой температуры, чем «холодная точка» ГПЦ. В таких местах может возникать неконтролируемая конденсация паров цезия и вследствие этого — снижение давления паров. Для решения данной задачи необходимо подводить тепло к ЦС от энергетической установки, а внешние трубопроводы заключить в замкнутый объём, укрыв их теплоизоляционными экранами. Причём ГПЦ необходимо разместить за пределами этого объёма, уменьшив тепловой поток от энергетической установки для достижения оптимальных температур ГПЦ. Это не только позволит беспрепятственно регулировать давление паров цезия, но и создаст условия для регенерации пара.

Для получения пара из жидкого цезия, а также возможности быстрой и точной регулировки требуемого давления, возможно использование устройства с электронагревателем или подведение тепла непосредственно от энергетической установки посредством жидкого теплоносителя.

Целесообразно использование устройства с электронагревателем, так как подвод тепла должен иметь возможность точного регулирования по показателям термометров, установленных на «холодную точку» ГПЦ, что труднодостижимо при конструкции устройства с жидким металлом. Такое решение позволяет поддерживать и регулировать заданное давление в течение всего периода работы КЯЭУ и даёт возможность регулирования его в диапазоне 133…655 Па (1…5 мм рт. ст.) при поддержании температурного режима на поверхности испарения ГПЦ от 270 до 335 °С по командам системы автоматического управления КЯЭУ.

Ввод цезиевой магистрали в «зоне конденсации» ГПЦ необходимо сконструировать таким образом, чтобы сформировать вакуумный зазор и обеспечить температурную развязку холодной «зоны конденсации» от магистрали с достаточно высокой температурой. Аналогичным способом можно поступить и с магистралью вывода ГПД из «зоны конденсации».

Также для циркуляции пара цезия внутри системы с необходимым для работы преобразователя давлением необходимо устройство, ограничивающее расход пара (дроссель).

Для предотвращения окисления цезия и попадания в него различных примесей, способных негативно сказаться на эмиссии электронов с поверхности эмиттера, необходима консервация цезия в жидкой или твёрдой фазе в герметичном объёме ГПЦ до запуска энергоустановки. Помимо этого, для предотвращения возникновения «пятен» на поверхности эмиттера полость РП заполняется консервационным газом (аргоном). Ограничение герметичного объёма ГПЦ, а также удаление остаточных консервационных газов и ГПД из ЭГК и полостей РП, может быть обеспечено системой клапанов.

Предотвращение утечки цезия в окружающее пространство может быть получено при помощи накопителя цезия с элементами из пиролитического графита.

Такие элементы способны удерживать в себе цезий при достаточно высоких температурах. Они выполнены в форме шайб с заданной ориентацией и при впитывании цезия расширяются исключительно в осевом направлении, сохраняя неизменными радиальные размеры. Это позволяет располагать элементы в герметичном цилиндрическом корпусе, формируя устройство накопителя, предусмотрев в нём свободное место, необходимое для расширения шайб, заполняемых цезием в процессе работы КЯЭУ.

Целесообразно использование нескольких параллельно соединённых накопителей для возможности масштабирования системы в зависимости от заправки цезия в ГПЦ без изменения конструкции самой ловушки.

На магистрали вывода ГПД, в промежутке между ГПЦ и накопителями цезия, есть смысл предусмотреть дополнительное устройство ограничения расхода, которое позволит сократить уход паров цезия из регенеративного цикла.

Итогом разработки методики проектирования ЦС должно стать создание математической модели системы, учитывающей все факторы, влияющие на эффективность работы ЦС термоэмиссионной ядерной установки КА.

Выводы

Для создания КЯЭУ с термоэмиссионным преобразованием тепловой энергии в электрическую требуется разработка методики проектирования ЦС термоэмиссионной энергетической установки, которая позволит комплексно решить поставленные при проектировании задачи.

В основе проектирования ЦС для РП с многолетним ресурсом должна лежать схема регенеративного цезиевого цикла, которая обеспечивает необходимый запас цезия в системе для поддержания её работоспособности в течение всего периода функционирования ЯЭУ с учётом многократного использования цезия.

На корректную работу ЦС огромное влияние оказывает множество факторов, например тепловое состояние разрабатываемой конструкции. Необходимо обеспечить как подвод, так и отвод тепла от узлов ЦС, избежав при этом возникновения мест возможной конденсации паров цезия.

Разработка методики проектирования ЦС требует создания математической модели и расчётно-экспериментальной отработки.