Беспилотный летательный аппарат для ухода за сельскохозяйственными растениями

Автор: В.В. Васильев, Д.Н. Афоничев, И.И. Аксенов

Журнал: Агротехника и энергообеспечение @agrotech-orel

Рубрика: Технологии, машины и оборудование для агропромышленного комплекса

Статья в выпуске: 4 (49), 2025 года.

Бесплатный доступ

Рассмотрен усовершенствованный беспилотный летательный аппарат сельскохозяйственного назначения, предназначенный для ухода за сельскохозяйственными растениями. Главной особенностью данного беспилотного летательного аппарата является то, что электроприводы соединены с валами, установленными в подшипниковых узлах и имеющими свободные концы, вынесенные на равные расстояния от боковой поверхности корпуса. На свободных концах валов установлены катушки, за которые закреплены гибкие рукава, причем по бокам гибких рукавов на равном удалении друг от друга установлены соединительные штуцеры, а распределительные трубки спирально навиты на валы и проложены в гибких рукавах. Практическое применение рассмотренного беспилотного летательного аппарата позволит уменьшить расход материальных ресурсов на выполнение комплекса работ по уходу за растениями авиационным способом.

Еще

Беспилотный летательный аппарат, катушка, гибкий рукав, вал, штуцер, форсунка, уход, обработка, рабочий раствор

Короткий адрес: https://sciup.org/147252889

IDR: 147252889   |   УДК: 631.3

Unmanned flying apparatus for farming plant care

An improved agricultural unmanned aerial vehicle designed for agricultural plant care is considered. The main feature of this unmanned aerial vehicle is that the electric drives are connected to shafts installed in bearing units and having free ends that are spaced equally from the side surface of the body. On the free ends of the shafts, there are coils, to which flexible sleeves are attached, and connecting fittings are installed on the sides of the flexible sleeves at equal distances from each other, and the distribution tubes are spirally wound on the shafts and laid in the flexible sleeves. The practical application of the considered unmanned aerial vehicle will reduce the consumption of material resources for performing a set of works on plant care by the aviation method.

Еще

Текст научной статьи Беспилотный летательный аппарат для ухода за сельскохозяйственными растениями

Результаты и обсуждение. Взяв за прототип БПЛА [10], разработанный в Китае, авторы усовершенствовали его. Усовершенствованный БПЛА представлен на рисунках 1 и 2.

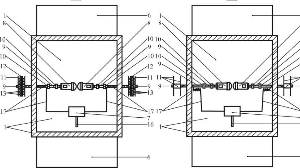
БПЛА сельскохозяйственного назначения [11] включает корпус 1 , по бокам которого жестко закреплены четыре горизонтальные штанги 2 . На свободном конце каждой горизонтальной штанги 2 сверху установлен двигатель 3 с лопастями воздушного винта 4 . Нижняя часть корпуса 1 оснащена шасси 5 , где между корпусом 1 и шасси 5 установлена емкость 6 для рабочего раствора. Внутри корпуса 1 закреплены насос высокого давления 7 и электроприводы 8 , каждый из которых соединен с валом 9 , установленным в подшипниках узлах 10 . Свободные концы валов 9 вынесены на равные расстояния от боковой поверхности корпуса 1 . На свободных концах валов 9 установлены катушки 11 , где за катушки 11 закреплены гибкие рукава 12 . По бокам гибких рукавов 12 на равном удалении друг от друга установлены соединительные штуцеры 13 , оснащенные регулирующими органами 14 , а на свободном конце каждого штуцера 13 закреплена форсунка 15 . Насос высокого давления 7 соединен с емкостью 6 подающей трубкой 16 , а со штуцерами 13 – распределительными трубками 17 , которые спирально навиты на валы 9 и проложены в гибких рукавах 12 .

БПЛА сельскохозяйственного назначения работает следующим образом. В емкость 6 заливается рабочий раствор, посредством регулирующих органов 14 устанавливается норма расхода рабочего раствора через форсунки 15 . Оператор сигналами с пульта управления запускает БПЛА и направляет его в зону обработки.

При обработке посевов сельскохозяйственных культур и крон деревьев сверху оператор с пульта управления подает сигнал на включение электроприводов 8 , которые передают крутящий момент на валы 9 [11]. В результате этого, при вращении валов 9 с катушками 11 гибкие рукава 12 выводятся из транспортного положения и опускаются между рядами растений на заданную длину, где форсунки 15 устанавливаются напротив обрабатываемых растений. Затем оператор с пульта управления подает сигнал на включение насоса высокого давления 7 , который начинает подавать рабочий раствор из емкости 6 по распределительным трубкам 17 к соединительным штуцерам 13 , происходит распыление рабочего раствора через форсунки 15 . Израсходовав рабочий раствор в емкости 6 , оператор с пульта управления подает сигнал на отключение насоса высокого давления 7 . Одновременно с этим оператор подает сигнал на реверсирование электроприводов 8 . В результате чего, при вращении валов 9 с катушками 11 гибкие рукава 12 наматываются на катушки 11 . Затем оператор сигналами с пульта управления отключает электроприводы 8 и направляет БПЛА к месту заправки и обслуживания.

а)

б)

а – вид спереди в транспортном положении; б – вид спереди в рабочем положении

Рисунок 1 – БПЛА сельскохозяйственного назначения

A-A                                          C-C

а)                                                    б)

в)

а – разрез А–А на рисунке 1а; б – разрез С–С на рисунке 1б; в – узел В на рисунке 1б Рисунок 2 – БПЛА сельскохозяйственного назначения

В случае обработки деревьев внутри кроны, оператор с пульта управления подает сигнал на электроприводы 8 [11]. В результате этого, при вращении валов 9 с катушками 11 гибкие рукава 12 выводятся из транспортного положения и опускаются между ветвями деревьев на заданную длину, где форсунки 15 устанавливаются напротив обрабатываемых ветвей деревьев. Затем оператор с пульта управления подает сигнал на включение насоса высокого давления 7 , который начинает подавать рабочий раствор из емкости 6 по распределительным трубкам 17 к соединительным штуцерам 13 , происходит распыление рабочего раствора через форсунки 15 . Израсходовав рабочий раствор в емкости 6 , оператор с пульта управления подает сигнал на отключение насоса высокого давления 7 . Одновременно с этим оператор подает сигнал на реверсирование электроприводов 8 . В результате этого, при вращении валов 9 с катушками 11 гибкие рукава 12 наматываются на катушки 11 . Оператор сигналами с пульта управления отключает электроприводы 8 и направляет БПЛА к месту заправки и обслуживания.

Вывод. Использование усовершенствованного БПЛА сельскохозяйственного назначения позволит снизить затраты на уход за посевами сельскохозяйственных культур и древесными насаждениями авиационным способом за счет упрощения конструкции БПЛА сельскохозяйственного назначения и снижения расхода рабочего раствора. При этом высокое качество обработки сельскохозяйственных растений данным БПЛА позволит повысить урожайность.