Инфразональные подразделения (биогоризонты) — инструмент для уточнения возраста и строения свит (на примере юрских отложений Европейской России и Шпицбергена)
Автор: Рогов М.А., Гуляев Д.Б.
Журнал: Геология нефти и газа.
Рубрика: Проблемы стратиграфии мезозоя
Статья в выпуске: 1, 2025 года.
Бесплатный доступ
Биогоризонты являются минимальными инфразональными коррелируемыми биостратиграфическими подразделениями, выделяемыми по всему миру преимущественно по головоногим моллюскам (аммонитам и белемнитам) в юрских и меловых отложениях. Такие подразделения позволяют с максимальной детальностью осуществлять расчленение и корреляцию разрезов по биостратиграфическим признакам. На уровне биогоризонтов наиболее точно можно установить особенности изменения границ, объема и полноты разреза местных стратиграфических подразделений, что имеет принципиальное значение для определения особенностей развития территории и как следствие —более точной оценки размещения и запасов залежей углеводородов. В данной статье рассмотрены примеры выявления особенностей строения свит с помощью биогоризонтов в юрских отложениях двух регионов, различающихся по характеру осадконакопления, мощности осадочных толщ и географической протяженности местных стратиграфических подразделений – Европейской России и Шпицбергена. Показано, что с помощью инфразональной стратиграфии можно выявить геохронологическое скольжение границ и присутствие внутренних перерывов в свитах в тех случаях, когда на зональном уровне это не устанавливается. Диахронность свит желательно отображать на принимаемых межведомственным стратиграфическим комитетом России стратиграфических схемах. Кроме того, для избежания разночтений необходимо уточнить имеющиеся определения базовых местных (свита) и региональных (горизонт) стратиграфических подразделений. Инфразональные биостратиграфические подразделения (биогоризонты) в рассматриваемом здесь смысле следует включить в обновленное издание отечественного Стратиграфического кодекса.
Аммониты, инфразональная стратиграфия, местные стратиграфические подразделения
Короткий адрес: https://sciup.org/14134990
IDR: 14134990 | УДК: 551.7.02:551.762(470+481-922.1) | DOI: 10.47148/0016-7894-2025-1-103-116
Infrazonal subdivisions (biohorizons) — a tool for refining formation age and structure (case study of Jurassic deposits in European Russia and Svalbard)
Biohorizons are minimal infrazonal correlatable biostratigraphic units identified mainly by cephalopod molluscs (ammonites and belemnites) in Jurassic and Cretaceous deposits worldwide. These units allow subdividing and correlating sections with the highest resolution based on biostratigraphic features. At the level of biohorizons, it is possible to most accurately reveal the features of changes in boundaries, range, and completeness of local stratigraphic units, which is of fundamental significance for determining the details of the territory’s development and, as a consequence, a more correct assessment of hydrocarbon locations and reserves. The authors discuss case studies of identifying the features of formation structures using biohorizons by the example of Jurassic deposits in two regions differing in the sedimentation patterns, thickness of sedimentary series, and geographical extent of local stratigraphic units — European Russia and Svalbard. It is shown that infrazonal stratigraphy can be used to reveal the geochronological sliding of boundaries and the presence of internal nonsequence in the formations in cases where this cannot be identified at the zonal level. It is desirable to demonstrate the formation diachrony on stratigraphic charts being adopted by the Russian Interagency Commission on Stratigraphy. In addition, the existing definitions of basic local (formation) and regional (horizon) stratigraphic units should be updated to avoid misunderstandings/Infrazonal biostratigraphic units (biohorizons), as discussed here, should be included in the revised edition of the Russian Stratigraphic Code.
Текст научной статьи Инфразональные подразделения (биогоризонты) — инструмент для уточнения возраста и строения свит (на примере юрских отложений Европейской России и Шпицбергена)
Инфразональные биостратиграфические подразделения (биогоризонты, или фаунистические горизонты) широко вошли в практику изучения юрских и меловых отложений по всему миру как «элементарные» неделимые коррелируемые биостратоны. Их использование позволило почти на порядок повысить разрешение и точность корреляции стратиграфических шкал и дало возможность выявлять и сопоставлять геоисторические события на качественно новом уровне. В настоящее время биогоризонты выделяются преимущественно по аммонитам — представителям наиболее полно изученной и быстро эволюционировавшей ключевой для расчленения юры и мела ортостратиграфиче-ской группы, и реже — по другим головоногим моллюскам (белемнитам). Потенциально такой подход может применяться к расчленению разрезов по любым группам окаменелостей. В частности, еще 100 лет назад С. Бакмен выделял подобные подразделения по брахиоподам [1, 2].
Современные представления о биогоризонтах в значительной степени восходят к биостратигра-фическим взглядам А. Оппеля, В. Ваагена, М. Ней-майра, С. Бакмэна, во многом соответствуя введенным и используемым ими еще в XIX в. понятиям «биозона», «мутация», «гемера». Однако в течение длительного времени использование таких биостратонов продолжалось без явного обоснования их природы и разработанных отчетливо сформулированных принципов установления, прослеживания и номенклатуры. Только начиная с середины 1980-х гг. было опубликовано несколько работ методического характера, в которых детально рассматривались особенности выделения и использования биогоризонтов (фаунистических горизонтов) ([3–6] и др.). При этом в большинстве руководств по стратиграфии (включая российский Стратиграфический кодекс [7] и Международное руководство по стратиграфии [8]) такой тип стратиграфических подразделений не упомянут и под биогоризонтом в соответствии с практикой микропалеонтологиче-ских исследований понимается не имеющая объема биостратиграфическая граница — датированный уровень (datum level).
В России первые попытки использования биогоризонтов в качестве инфразональных подразделений были предприняты в конце 1980-х гг. [9], но практически общепринятым применение таких биостратиграфических подразделений среди специалистов по аммонитам стало позднее, в конце 1990-х — начале 2000-х гг. [10–14].
В настоящей статье биогоризонт рассматривается как геологическое тело, характеризующееся уникальным таксоном-индексом видовой группы, которое не может быть стратиграфически/ геохронологически подразделен на таксономической основе. Таким образом, общий трехмерный геоисторический ареал биогоризонта является его фундаментальным объемом, отвечающим динамическому палеоареалу вида-индекса на протяжении его существования. Однако в отдельном разрезе или местной группе разрезов он ограничен рядом локальных первичных экологических и вторичных геологических факторов. Такой местный объем биогоризонта является реализованным [15, 16] (по аналогии с терминологией Дж. Э. Хатчинсона, относящейся к видовым экологическим нишам). В любом из разрезов биогоризонт обладает как нижней (первое появление таксона-индекса), так и верхней (последние появление таксона-индекса) границей. В этом отношении он принципиально отличается от традиционных подразделений стратиграфической иерархии, устанавливаемых по нижней границе в стратотипе, и по своей сути не принадлежит к этой иерархии. В отличие от зональных подразделений, выделяемых в разрезе по принципу расчленения, биогоризонты устанавливаются по принципу вычленения.
Чаще всего биогоризонты выделяются по последовательности видов/подвидов-индексов одной филолинии наиболее представительной в регионе руководящей группы, эудемичной в терминологии Дж. Кэлломона [4]. Такие биогоризонты являются филогенетическими и их региональный реализованный объем ближе всего к фундаментальному. Однако для обеспечения/обоснования межрегиональной корреляции в такие последовательности могут параллельно «вклиниваться» биогоризонты, основанные на кратковременных инвазиях представителей ортостратиграфической группы, эудемичной в другом регионе. Такие интеркалярные биогоризонты являются миграционными и их аллопатрический реализованный объем может существенно отличаться от фундаментального в меньшую сторону.
В практике геолого-съемочных работ, отраженной в Стратиграфическом кодексе России ([7], с. 24), местные стратиграфические подразделения выделяются «при преимущественном учете литолого-фациальных или петрографических особенностей», при этом по «смене ассоциаций остатков организмов» в некоторых случаях свиты устанавливались в литологически монотонных толщах только на биостратиграфической основе. На обобщающих схемах границы «литологических» свит вопреки «седиментационной» логике чаще всего изображаются как горизонтальные (даже если для соседних структурно-фациальных зон границы одних и тех же свит показаны на разных уровнях) и привязываются к границам зональных подразделений и хроностратиграфических стратонов более высокого ранга [17].
Однако анализ на уровне инфразональных подразделений – биогоризонтов – показывает, что геохронологическое положение этих границ может существенно варьировать уже на расстоянии первых километров буквально в соседних разрезах. Поскольку в силу своей литолого-фациальной «природы» местные стратоны чаще всего являются контрастными коллекторами и флюидоупорами, оценка вариабельности положения их границ существенна для анализа перспектив нефтегазоносности в пределах локальных и региональных площадей.
Диахронность границ местных стратиграфических подразделений выявляется на территориях с разной геологической историей, мощностью осадочных толщ и степенью их обнаженности, в том числе в регионах, где целевой стратиграфический интервал вскрыт только скважинами.
Рассмотрим возможности применения инфра-зональной стратиграфии для оценки диахронно-сти границ и полноты разрезов свит на примере юрских отложений двух существенно различающихся регионов. Первый — Европейская Россия (в пределах Русской плиты и прилегающих районов Тимано-Печорской плиты), где рассматриваемые отложения обладают сравнительно небольшой мощностью (первые метры – десятки метров), существенной латеральной и вертикальной фациальной изменчивостью и как следствие — сложной структурой развития свит. Характерны многочисленные перерывы/размывы и горизонты конденсации, при этом высока насыщенность палеонтологическими остатками. Юрские отложения здесь не образуют сплошного покрова, а распространены на отдельных площадях. Второй модельный регион — Шпицберген, где юрские отложения имеют значительную мощность (сотни метров), прослеживаемую по всей территории единую последовательность свит и пачек, окаменелости в разрезах встречаются неравномерно и чаще всего приурочены к отдельным стратиграфическим интервалам.
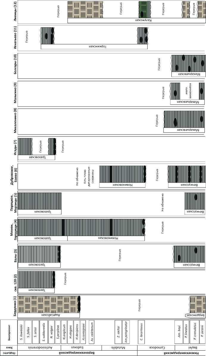
В Европейской России рассматриваются верх-небатско-нижнекелловейский, кимериджский и средне-верхневолжский стратиграфические интервалы, отвечающие разным стадиям развития юрского Среднерусского моря: трансгрессивной, стабильной и регрессивной. В позднем бате – раннем келловее на фоне обширной трансгрессии с севера (с Тимано-Печерской плиты и Мезенской синеклизы) произошло быстрое расширение площади морского осадконакопления на территории Восточно-Европейской платформы и ее обрамления, и в начале келловея установилась устойчивая связь Среднерусского моря с бассейнами Перитетис на юге (по Скифской и Туранской плитам) и западе (по Припятскому/Брестскому прогибу) [13], сохра- нявшаяся в течение большей части поздней юры. Поскольку море трансгрессировало в регион, где в течение длительного времени господствовал континентальный режим осадконакопления и рельеф был достаточно расчлененным, для батско-нижне-келловейских отложений характерна значительная фациальная изменчивость (рис. 1). В отдельных случаях существенную смену фаций и выклинивание достаточно мощных пачек можно наблюдать на расстоянии в первые сотни метров [18]. В ки-мериджском веке Среднерусское море покрывало максимальную для юры территорию и практически повсеместно в это время накапливались глинистые осадки (рис. 2). Во второй половине волжского века площадь Среднерусского моря сокращалась и оно оставалось связанным лишь с арктическими бассейнами. Для этого интервала характерно развитие почти исключительно алевропесчаных отложений и многочисленность уровней желваковых фосфоритовых конкреций песчанистого типа, которые подчеркивают горизонты размыва и конденсации (рис. 3) [17, 19].
На Шпицбергене для рассмотрения выбран аналогичный стратиграфический интервал (верхний бат — волжский ярус), которому отвечает единственная повсеместно распространенная свита Агардфьеллет (Agardhfjellet), разделенная на несколько пачек (рис. 4). В целом свита отвечает трансгрессивному этапу развития бассейна, осложненному регрессивными эпизодами меньшего масштаба [20]. В отличие от разрезов Европейской России и Северо-Западной Европы, где терминальная часть юры характеризуется резким сокращением площади бассейнов и развитием мелководных песчаных фаций, на Шпицбергене (как и во многих других районах Арктики, например, в Западной Сибири) в течение волжского века продолжалось углубление бассейна и накопление черносланцевых фаций [21].
Особенности строения юрских отложений Русской плиты
При переходе от батского к келловейскому веку на обширной территории от Нижнего Поволжья до Печорской низменности происходит смена преимущественно песчаных отложений в основном глинистыми (см. рис. 1), что знаменует кардинальное изменение режима всего морского бассейна. Смена эта оказывается весьма диахронной и географически неравномерной при рассмотрении на инфра-зональном уровне. Она может охватывать до шести биогоризонтов в составе зон Infimum (bt 3 ) и Elatmae (cl 1 ), а в некоторых случаях (бассейн Унжи) может практически не проявляться. К тому же при резкой смене фаций на границе ярусов часто фиксируется перерыв с выпадением терминальных биогоризонтов бата и особенно — базальных биогоризонтов келловея. Несмотря на довольно монотонное строение в глинистых фациях присутствуют небольшие диастемы, стратиграфическое положение которых меняется от разреза к разрезу. При этом фиксиру-
06 PROBLEMS OF MESOZOIC STRATIGRAPHY
Рис. 1. Инфразональная корреляция локальных разрезов приграничного интервала бата и келловея Европейской России
Fig. 1. Infrazonal correlation of local sections (columns) at the Bathonian – Callovian boundary, European Russia
ПРОБЛЕМЫ СТРАТИГРАФИИ МЕЗОЗОЯ
Усл. обозначения к рис. 1
Legend for Fig. 1
Отложения свит (св.), толщ (т.), мощность ( 1 – 4 ): 1 — континентальные и субконтинентальные (1) сысольской св., мощность до 80 м, (2) сысольской св., до 40 м, (7, 13) каменноовражной св., ~ 60 м, 2 — морские и прибрежно-морские (3) кологривской т., до 35 м, (4–12) лукояновской св., до 40 м, 3 — морские (4) чуркинской св., до 100 м, (2) чуркинской св., до 40 м, (4–12) елатьминской св., 2–60 м, (13) хлебновской св., до 35 м, 4 — сконденсированные морские (4, 7, 8) докучаевской т., до 6–8 м; литология ( 5 – 11 ): 5 — глина, 6 — глина песчанистая, 7 — алеврит сильноглинистый, 8 — песок, алеврит, 9 — глинистый песок, алеврит, 10 — мергель, 11 — оолиты, 12 — косая слоистость; 13 — явные размывы и горизонты конденсации.
S. — Sigaloceras, Pr. — Proplanulites, G. — Gowericeras, Ch. — Chamoussetia, C. — Cadochamoussetia, P. — Paracadoceras, M. — Macrocephalites
Deposits of formations (Fm/св.), series (S/т.), thickness ( 1 – 4 ): 1 — continental and subcontinental (1) Sysolsky Fm, thickness up to 80 m, (2) Sysolsky Fm, up to 40 m, (7, 13) Kamennoovrazhsky Fm, ~ 60 m, 2 — marine and coastalmarine (3) Kologrivsky S, up to 35 m, (4–12) Lukoyanovsky Fm, up to 40 m, 3 — marine (4) Churkinsky Fm, up to 100 m, (2) Churkinsky Fm, up to 40 m, (4–12) Elatminsky Fm, 2–60 m, (13) Khlebnovsky Fm, up to 35m, 4 — condense marine (4, 7, 8) Dokuchaevsky S, up to 6–8 m; lithology ( 5 – 11 ): 5 — clay, 6 — sandy clay, 7 — highly argillaceous silt, 8 — sand, silt, 9 — clayey sand, silt, 10 — marl, 11 — oolites, 12 — cross-bedding; 13 — clear erosion and condensation horizons.
S. — Sigaloceras, Pr. — Proplanulites, G. — Gowericeras, Ch. — Chamoussetia, C. — Cadochamoussetia, P. — Paracadoceras, M. — Macrocephalites ется два регионально выраженных перерыва, соответствующих верхам зоны Elatmae и приграничной части зон Subpatruus и Koenigi, последний перерыв в Среднем Поволжье часто распространяется до низов зоны Coronatum среднего келловея. Начиная с фазы Koenigi и в среднем келловее на большей части Русской плиты, особенно в ее центральных районах, формировались сильно сконденсированные карбонатно-оолитовые осадки с многочисленными диастемами разного масштаба, отвечающие высо-коэнергетичной среде и удаленности от источников сноса. По-видимому, эти осадки образовывались в условиях внутреннего волнения устойчивого пикноклина, сформировавшегося на глубине первых десятков метров, приводившего к подводному размыву и конденсации. Это знаменует очередное кардинальное изменение режима Среднерусского моря. Следующее изменение такого масштаба происходит уже в конце среднего – позднего келловея и оно также весьма диахронно.
В кимериджском веке на рассматриваемой территории накапливаются глинистые осадки и выделяемые в кимеридже последовательные свиты имеют сходный литологический состав (см. рис. 2). В то же время для них характерно присутствие частых горизонтов конденсации, маркируемых прослоями фосфоритовых конкреций глинистого типа и скоплениями раковинных остатков. Примечательно, что на западной и юго-восточной перифериях Среднерусского моря в течение всего кимериджа накапливались спонголиты. Их площадное распространение сравнительно ограниченно и, по-видимому, свидетельствует о продолжительно существовавших локальных участках с устойчиво активной гидродинамикой. Значительное влияние на полноту разрезов кимериджа оказали события конца юрского периода. Во многих районах кимериджские отложения были полностью или частично размыты в волжское время, и присутствие тех или иных интервалов кимериджа устанавливается в разрезах Московской, Ярославской,
Ивановской и Костромской областей по наличию переотложенных окаменелостей в фосфоритовых гальках базальных горизонтов средне- и верхневолжских подъярусов (см. рис. 3). Кроме того, в Поволжье в разрезе кимериджа фиксируются субрегионально выраженные перерывы, охватывающие в разных районах сравнительно небольшие интервалы (часть зоны) или существенные части разреза (от нескольких зон до нескольких подъярусов в случае трансгрессивного залегания терминальной зоны Autissiodorensis кимериджского яруса) [19]. В то же время, некоторые маркирующие горизонты в кимеридже прослеживаются на сотни километров. Таковы, например, прослой горючих сланцев в зоне Mutabilis верхнего кимериджа толщиной от 0,5 до 0,8 м, который установлен в разрезах Мордовии, Чувашии и на юге Татарстана, а также 10-сантиметровый прослой сильнобиотурбированных глин в нижней части зоны Autissiodorensis (биогоризонт N. volgae), который фиксируется от юга Нижегородской области до разрезов Ульяновской и Самарской областей, сохраняя свой очень характерный внешний облик и ярко выраженную палеонтологическую характеристику [19].
В начале средневолжского времени на огромной территории от Прикаспия до бассейна р. Печора формировались глинистые осадки с прослоями высокоуглеродистых сланцев (промзинская свита и ее аналоги), лишь на отдельных участках Московской синеклизы и Оренбургской зоны Прикаспийской синеклизы вблизи значительных источников сноса (Балтийская суша, Южный Урал) накапливались песчаные отложения. В конце фазы Panderi повсеместно на Русской плите фиксируется резкое изменение фаций: на юге рассматриваемой территории (а также в Центральной Польше) глины сменяются мергелями и известняками, а к северу от широты Саратова — обычно весьма сконденсированными алевропесчаными осадками (см. рис. 3). За исключением разрезов Саратовского Заволжья, верхний биогоризонт зоны Panderi повсеместно был размыт,
PROBLEMS OF MESOZOIC STRATIGRAPHY
CD -ь^ "8
О Е <
CD 4^ "8 о
Е <
Рис. 2. Инфразональная корреляция локальных разрезов кимериджского яруса Европейской России
Fig. 2. Infrazonal correlation of local sections of the Kimmeridgian Stage, European Russia
ПРОБЛЕМЫ СТРАТИГРАФИИ МЕЗОЗОЯ
Рис. 3. Инфразональная корреляция локальных разрезов верхней части волжского яруса Европейской России
Fig. 3. Infrazonal correlation of local sections of the upper part of the Volgian Stage, European Russia
For other Legend items see Fig. 2
PROBLEMS OF MESOZOIC STRATIGRAPHY
Рис. 4. Инфразональная корреляция локальных разрезов верхнего бата — волжского яруса Шпицбергена Fig. 4. Infrazonal correlation of local sections of the Upper Bathonian – Volgian Stage, Svalbard Archipelago
Зона, подзона
Биогоризонт
Миклегарлд-фьеллет (1)
Янус- фьеллет (2) Скв.DH4-5 (3)
Скв. Dh2 (4) Фестнинген (5)
ш
и
ф
ф
ф
X
ф
ф
ф
ф
S
ф
S ф х X
|
? |
|||
|
Craspedites taimyrensis |
Craspedites discoides |
||
|
Craspedites okensis |
Craspedites okensis |
||
|
Craspedites praeokensis |
|||
|
Praechetaites exoticus |
Epilaugeites surlyki |
||
|
Laugeites mesezhnikowi |
|||
|
Laugeites lambecki |
Laugeites lambecki |
||
|
Epivirgatites laevigatus |
|||
|
Epivirgatites sokolovi |
|||
|
Arctocrend. anguinus |
Arctocr. anguinus |
||
|
Dorsoplanites sachsi |
|||
|
Dorsoplanites sachsi |
|||
|
Dorsoplanites maximus |
|||
|
Dorsoplanites ilovaiskii |
Praechetaites erschovae |
||
|
Dorsoplanites antiquus |
|||
|
Pavlovia rugosa |
|||
|
Pavlovia iatriensis |
Pavlovia iatriensis |
||
|
II |
Paravirgatites paravirgatus |
Paravirg. dorsetensis |
|
|
Pectinatites eastlecottensis |
|||
|
Pect.eastlecottensis |
|||
|
Arkellites hudlestoni |
|||
|
? |
|||
|
Hoplocardioceras decipiens |
Hoplocardioceras elegans |
||
|
H. decipiens |
|||
|
Euprionoceras sokolovi |
Euprionoceras sokolovi |
||
|
Euprionoceras norvegicum |
|||
|
'с •у о 1 |
Amoebites modestum |
||
|
Zenostephanus sachsi |
|||
|
Amoebites peregrinator |
|||
|
Amoebites modestum Amoebites pulchrum |
|||
|
Amoebites subkitchini |
|||
|
Zonovia evoluta |
|||
|
Rasenia cymodoce |
$ 1 о ^ ^ и |
||
|
Am.pingueforme |
|||
|
Am.mesezhnikovi |
|||
|
Amoebites bayi |
|||
|
Plasmatites bauhini |
Amoeboceras klimovae |
||
|
Amoeboceras schulginae |
|||
|
Prionodoceras rosenkrantzi |
|||
|
Pr. regulare |
|||
|
Pr. serratum |
|||
|
Paramoeboceras alternoides |
|||
|
? |
|||
|
Cardioceras densiplicatum |
|||
|
Cardioceras cordatum |
|||
|
Quenstedtoceras mariae |
|||
|
? |
|||
|
Longaeviceras nikitini |
Longaeviceras nikitini |
||
|
Longaeviceras stenolobum |
Protolongaeviceras pomeroyense |
||
|
Cadoceras milaschevici ? |
|||
|
? |
|||
|
Cadoceras calyx |
Cad. calyx involutum |
||
|
Cadoceras variabile |
|||
|
го о § о б g о |
Аммониты не найдены Аммониты не найдены Аммониты не найдены Аммониты не найдены |
|
- - - - |
|
|
Аммониты |
|
|
ф 5 -0 g го ф го g О |
|
|
Аммониты не найдены Интервал плохо обнажен |
|
|
— |
|
|
Закрыто осыпью |
о
Аммониты не найдены
Аммониты не найдены
Аммониты не найдены
Аммониты не найдены
Аммониты не найдены
Аммониты не найдены
Аммониты не найдены
Аммониты не найдены
Аммониты не найдены
Аммониты не найдены
Аммониты не найдены
Аммониты не найдены
Аммониты не найдены
Аммониты не найдены
Аммониты не найдены
|
Аммониты не найдены |
||
|
Аммониты не найдены |
||
|
го S о § о |
Аммониты не найдены |
|
|
Аммониты не найдены |
||
|
SSSI |
||
|
го с О |
Аммониты не найдены |
|
|
Аммониты не найдены |
||
|
ф 5 -0 g го |
Аммониты плохой сохранности |
|
|
Аммониты не найдены |
||
|
ф го g О |
|
Аммониты не найдены |
||
|
Аммониты не найдены |
||
|
Аммониты не найдены |
||
|
Аммонит ы не найдены |
||
|
Аммониты не найдены |
||
|
— |
||
|
Аммониты не найдены |
||
|
Аммониты не найдены |
||
|
Аммониты не найдены |
||
|
Аммониты не найдены |
||
100 км
Усл. обозначения к рис. 4
Legend for Fig. 4
-
1 — аргиллиты; 2 — песчаники.
Н. — нижне-, В. — верхне-, Сред. — средне-, Бат. — батский, Келл. — келловейский, Окс. — оксфордский
Arctocr. — Arctocrendonites, Pect. — Pectinatites, Paravirg. — Paravirgatites, H. — Hoplocardioceras, Am. — Amoebites, Pr. — Prionodoceras, Cad. — Cadoceras.
Остальные усл. обозначения см. на рис. 3
-
1 — claystone; 2 — sandstone.
-
Н. — Lower, В. — Upper, Сред. — Middle, Бат. — Bathonian, Келл. — Callovian, Окс. — Oxfordian
Arctocr. — Arctocrendonites, Pect. — Pectinatites, Paravirg. — Paravirgatites, H. — Hoplocardioceras, Am. — Amoebites, Pr. — Prionodoceras, Cad. — Cadoceras.
For other Legend items see Fig. 3
а характерные для него аммониты встречаются в фосфоритовых гальках в основании вышележащей зоны Virgatus; в большинстве случаев не сохранился также второй сверху биогоризонт зоны Panderi - Z. pilicensis [19]. Вышележащие отложения везде представлены преимущественно песчаными породами малой мощности с большим числом горизонтов конденсации, подчеркнутых скоплениями фосфоритов. Иногда фосфориты спаяны в прослеживаемую на сравнительно обширной площади фосфоритовую плиту, в первую очередь это характерно для зоны Catenulatum верхневолжского подъяруса. В терминальной части волжского яруса Московской синеклизы (примерно отвечающей зоне Nodiger) мощности отложений резко возрастают. В это время накапливаются пески с редкими находками аммонитов и двустворок. Мощность этих песков (до 40 м) обычно в разы превышает таковую нижележащих интервалов верхневолжского и средневолжского подъярусов [17]. Перерывы, связанные с размывом осадков, распространены в верхневолжском подъярусе очень широко, причем даже в соседних разрезах их положение может заметно различаться (см. рис. 3; [19]).
Особенности строения юрских отложений Шпицбергена
В отличие от внутриплатформенного Среднерусского моря, которое соединялось с другими бассейнами через сравнительно мелководные и узкие проливы, Шпицберген в средне-позднеюрское время располагался на окраине обширного открытого морского бассейна, который занимал большую часть современного Северного Ледовитого океана и широко соединялся с Северной Пацификой ([22] и др.). Судя по имеющимся данным, в это время основные источники сноса находились западнее и севернее Шпицбергена [23, 24], тогда как в восточном и юго-восточном направлениях бассейн был открыт.
Свита Агардфьеллет охватывает стратиграфический интервал от низов бата до нижней части рязанского яруса нижнего мела [21, 25] (см. рис. 4). Мощность свиты составляет от 90 до 350 м, она распространена на Шпицбергене повсеместно в областях залегания средне-верхнеюрских отложений.
На всей площади распространения свиты в ней выделяется единая последовательность из четырех пачек, различающихся составом пород: две пачки черносланцевые и две сложены главным образом алевролитами и песчаниками [21]. Окаменелости в свите Агардфьеллет чаще всего встречаются на отдельных стратиграфических уровнях, при этом в естественных разрезах их находки обычно приурочены к конкрециям, тогда как в керне скважин окаменелости также встречаются в черносланцевых интервалах, которые сильно выветрелы в обнажениях. Хотя представленность свиты в естественных разрезах хорошая, отдельные ее интервалы нередко перекрыты осыпями и ледниками, наиболее доступен для наблюдения кимериджско-волжский интервал. Несмотря на то, что эти отложения интенсивно изучаются уже более 150 лет, надежные биостратиграфические данные в настоящее время имеются лишь для небольшого числа разрезов и интервалов свиты (см. рис. 4).
Редкость детально привязанных к разрезу находок аммонитов затрудняет установление как стратиграфической последовательности в целом, так и выявление вероятных диастем. Предполагавшиеся ранее крупные перерывы в осадконакоплении в оксфорде и волжском ярусе [21, 24], судя по последним биостратиграфическим данным [25], не подтвердились. Отсутствие аммонитов в пограничном интервале бата и келловея, а также в верхах среднего оксфорда позволяет предположить возможность наличия небольших диастем в этих интервалах. Кроме того, во всех разрезах свиты Агардфьеллет в пограничных отложениях кимериджского и волжского ярусов присутствует интервал толщиной 20–100 м, в котором находки аммонитов неизвестны. Можно предполагать, что геохронологически этот интервал представлен в полном объеме, но по какой-то причине аммониты в это время здесь отсутствовали, были крайне редки или не сохранялись [25].
Характер строения и степень изученности средне-верхнеюрских отложений Шпицбергена пока не позволяют обосновать присутствие существенных потенциальных перерывов внутри свиты Агардфьеллет, но дают возможность установить диахронность границ пачек (см. рис. 4).
PROBLEMS OF MESOZOIC STRATIGRAPHY
Обсуждение результатов и предложения по корректировке отдельных положений Стратиграфического кодекса России
Приводимые выше примеры показывают, что структура местных стратиграфических подразделений при детальном инфразональном рассмотрении оказывается значительно более сложной, чем это представляется при анализе на уровне зон или подъярусов. Установлено, что биостратиграфиче-ские границы, полнота и объем местных стратиграфических подразделений могут существенно изменяться по площади, нередко на незначительном расстоянии (см. рис. 1–3). По всем признакам даже в условиях кратона такая диахронность в первую очередь связана с влиянием региональной и местной тектоники, напрямую — через изменение глубины бассейна или косвенно — с изменением направления и интенсивности течений и расположения источников сноса. Судя по имеющимся данным, подобное строение местных стратонов является не исключением, а правилом, тогда как представления об изохронности границ свит на площади являются в первую очередь следствием их недостаточной изученности. Самым явным образом эти особенности местных стратиграфических подразделений проявляются в наиболее изученных и насыщенных окаменелостями регионах, таких как Европейская Россия, но при наличии достаточного материала они могут фиксироваться и там, где находки окаменелостей более редки и/или разрезы в меньшей степени доступны для изучения. Например, недавно было показано, что полнота разреза и возраст пачек в пограничном интервале юры и мела Западной Сибири (баженовская свита/горизонт и аналоги) существенно изменяются в разных районах развития этих отложений ([26] рис. 16). Еще одним примером является блестящий синопсис Дж. Кэлло-мона [27] по юрским отложениям Земли Джеймсона (Jameson Land) Восточной Гренландии. В нем на ин-фразональном уровне обобщены данные по 86 разрезам и 41 биогоризонту в интервале от середины байоса до верхов среднего оксфорда, при этом распространение биогоризонтов и полнота разрезов в большинстве случаев различны даже для соседних обнажений.
Иногда диахронность границ между свитами отражена на стратиграфических схемах, но намного чаще эти границы изображаются как изохронные. Представляется, что для хорошо изученных регионов, где диахронность границ и присутствие перерывов внутри свит надежно доказаны, эти особенности строения стратонов должны быть показаны на принимаемых МСК региональных и местных стратиграфических схемах.
Приводимые в отечественном Стратиграфическом кодексе положения, касающиеся выделения местных и региональных стратиграфических подразделений, а также фиксации их границ, в известной степени противоречивы, что приводит и к неоднозначному пониманию одних и тех же кон- кретных стратиграфических подразделений разными специалистами, а также к противоречивым подходам при выделении таких стратонов в целом. Представляется, что во избежание разночтений эти формулировки следует скорректировать в последующих изданиях Стратиграфического кодекса.
В первом издании Стратиграфического кодекса ([28] с. 26) местные стратиграфические подразделения определялись как «совокупности горных пород, выделяемые по стратиграфическому положению в местном разрезе на основании комплекса признаков при преимущественном учете фациально-литологических или петрографических особенностей, ясно отграниченные от смежных подразделений как по разрезу, так и на площади и обычно опознаваемые в поле». Позднее в определение местных стратонов в целом была добавлена их картируе-мость [7, 29]. В первом издании Стратиграфического кодекса ([28] c. 27) было указано, что «границы местных подразделений должны быть приурочены к уровням изменения вещественного состава пород, а также к стратиграфическим перерывам и угловым несогласиям или к смене ассоциаций остатков организмов». Похожим образом это положение формулировалось и в дальнейшем: «границы местных подразделений приурочены к изменениям вещественного состава пород по разрезу, к стратиграфическим перерывам и угловым несогласиям, смене ассоциаций остатков организмов, а также к существенным изменениям различных геофизических параметров» ([7] с. 24). Постоянное упоминание смены комплексов окаменелостей как одного из возможных критериев проведения границ местных стратиграфических подразделений привело к тому, что свиты нередко устанавливаются только на основании палеонтологических данных в литологически монотонных толщах или же границы свит «подтягиваются» к границам ярусов и подъярусов. Это противоречит критерию картиру-емости, а также оперативному опознаванию свит в полевых условиях, по геофизическим параметрам и керну скважин. В непрерывных разрезах границы био(хроно)стратиграфических подразделений (границы ярусов — это тоже биостратиграфические границы), как правило, могут быть установлены только после тщательного изучения руководящих групп окаменелостей, а к заметным изменениям состава пород такие границы обычно приурочены только при наличии перерывов, часто хронологически (биостратиграфически) скользящих. Проведение границ местных стратиграфических подразделений только по палеонтологическим данным делает их на практике не картируемыми, а по сути — бессмысленными. Предлагается в Стратиграфическом кодексе четко указать, что местные стратоны не должны выделяться исключительно на палеонтологической основе и что оперативная опознаваемость и картируемость должны быть основными критериями установления таких подразделений.
Подобная неоднозначность имеется и в определении основной единицы региональных стратиграфических подразделений — горизонта. Первоначально ([28] с. 24) горизонт рассматривался как стратон, устанавливаемый главным образом по палеонтологическим признакам. Позднее ([29] с. 32) было добавлено, что «горизонты могут быть картируемыми единицами». Наконец, в последнем издании Стратиграфического кодекса ([7] с. 22) приведена следующая формулировка: «Горизонты фанерозоя устанавливаются на основе литолого-фациальных особенностей отложений с учетом их палеонтологических характеристик. Горизонты, установленные на биостратиграфической основе, латерально охватывают чаще всего палеобиогеографическую область (провинцию). Такие горизонты (надгоризонты, подгоризонты) могут быть названы региоярусами, которые должны отвечать определению яруса МСШ (ОСШ)». Хотя на практике горизонты фанерозоя действительно устанавливаются по биостратиграфическим данным, указание того, что их выделение производится «на основе литолого-фациальных особенностей отложений», входит с этим в очевидное противоречие. Или границы горизонтов определяются значимой сменой обстановок осадконакопления в масштабах региона — и тогда их границы, как и границы свит, в большинстве случаев существенно диахронны, или горизонты объединяют одновозрастные разнофациальные отложения с единой палеонтологической характеристикой, но не то и другое вместе. Также противоречиво приравнивание горизонтов к (регио)ярусам. Определения «региояруса» нет ни в одном издании отечественного Стратиграфического кодекса, отсутствует оно и в международном руководстве по стратиграфии. На практике под «ре-гиоярусами» обычно понимаются исторически сложившиеся стратоны ранга яруса, используемые для достаточно обширных территорий, чье сопоставление с ярусами ОСШ или МСШ затруднено, тогда как горизонты представляют собой подразделение особой категории региональных стратонов.
Продемонстрированные выше возможности использования биогоризонтов для уточнения строения местных стратиграфических подразделений делают особенно актуальным вопрос о включении биогоризонтов в новое издание Стратиграфического кодекса. В настоящее время в Стратиграфическом кодексе понятие «биогоризонт» приводится как синоним нередко используемого специалистами по микрофоссилиям понятия «датированный уровень»: «Датированный уровень (биогоризонт, datum level) – поверхность слоя (нижняя или верхняя) или узкий и достаточно четкий интервал разреза, отвечающие существенным изменениям палеонтологических признаков: первому или последнему нахождению таксона, резкому изменению частоты его встречаемости и т.д. Датированные уровни могут использоваться при корреляции и расчленении отложений, а также в качестве границ биостратиграфических зон» ([7] с. 11). С учетом того, что уже более 50 лет биогоризонты (фаунистические горизонты) как минимальные коррелируемые биостратиграфические подразделения во всем мире используются в смысле, рассмотренном выше, причем именно так они принимаются, к примеру, в британском руководстве по стратиграфии [30], представляется необходимом введение биогоризонтов в качестве отдельной категории биострати-графических подразделений в отечественный Стратиграфический кодекс.
Предлагается использовать следующее определение биогоризонта, опубликованное авторами статьи ранее ([6] с.108): «Биогоризонт является наиболее детальным коррелируемым биостратоном, который заключает уникальную совокупность таксонов и не может быть далее подразделен на основе таксономической дифференциации руководящих ископаемых (по филогенетическим и/или иммиграционным событиям, положенным в основу выделения биогоризонта). Для установления биогоризонта в разрезе необходимым и достаточным условием является идентификация вида/подвида-индекса, наблюдаемому диапазону распространения которого и соответствует биогоризонт. Остальная часть комплекса руководящей группы имеет значение для корреляции за пределами области распространения биогоризонта».
Вслед за Дж. Кэлломоном [3, 4] в качестве геохронологического эквивалента биогоризонта следует использовать введенное С. Бакмэном понятие «гемера».