Поризованные фторангидритовые композиции, модифицированные хризотил-асбестовым волокном

Автор: Яковлев Г.И., Украинцева В.М., Бурьянов А.Ф., Гинчицкая Ю.Н., Кайсина А.А.

Журнал: Вестник Восточно-Сибирского государственного университета технологий и управления @vestnik-esstu

Рубрика: Строительные материалы и изделия (технические науки)

Статья в выпуске: 1 (100), 2026 года.

Бесплатный доступ

В работе приводятся исследование и анализ свойств фторангидритовой композиции дисперсно армированной хризотил-асбестовым волокном марки 7-350. Преимуществом дисперсного армирования является высокая удельная поверхность волокон асбеста, который распределяется в межпоровых перегородках композиции, исключая перколяцию пор в процессе вспучивания вяжущей матрицы газообразователем на основе пергидроля. Проведены исследования микроструктуры армированной композиции, которые показали не только совместимость волокон асбеста с вяжущей матрицей, но формирование вторичных новообразований на поверхности волокон, стабилизирующих структуру и свойства композиции. Проведенный энерго-дисперсионный анализ новообразований на поверхности волокон показал кристаллизацию двуводного сульфата кальция, который формируется в процессе гидратации фторангидрита. Достигнут показатель теплопроводности композиции в зависимости от средней плотности, соответствующий (0,18–0,26) Вт/мoС. Применение фторангидрита в качестве вяжущего целесообразно не только исходя из его физико-механических свойств, но с точки зрения утилизации этого техногенного продукта.

Еще

Хризотил-асбест, фторангидрит, фосфат натрия, пергидроль, поризация, перколяция, сульфат кальция

Короткий адрес: https://sciup.org/142247373

IDR: 142247373   |   УДК: 691.335   |   DOI: 10.53980/24131997_2026_1_102

Porous fluoroanhydrite compositions modified with chrysotile-asbestos fiber

The study analyzes the properties of fluoroanhydrite composition, reinforced with chrysotile-asbestos fiber of grade 7-350 in dispersed manner. The advantage of dispersed reinforcement is high specific surface area of asbestos fibers, which are distributed in inter-pore partitions of composition, excluding pore percolation during the swelling of the binding matrix with a gas generator based on perhydrol. The paper studied microstructure of reinforced composition which showed not only compatibility of asbestos fibers with binding matrix but also formation of secondary new formations on fiber surfaces that stabilize the structure and properties of the composition. The energy-dispersive analysis of the new formations on fiber surfaces showed crystallization of calcium sulfate dihydrate, which is formed during hydration of fluoroanhydrite. The thermal conductivity of the composition was achieved depending on the average density, corresponding to (0.18 – 0.26) W/m·°C. The use of fluorhydrite as a binder is advisable not only because of its physical and mechanical properties, but also in terms of recycling this technogenic product.

Еще

Текст научной статьи Поризованные фторангидритовые композиции, модифицированные хризотил-асбестовым волокном

Используемый в проведенных исследованиях отход производства плавиковой кислоты - фторангидрит - является дешевой заменой природного гипса. Среди положительных качеств фторангидрита следует отметить возможность использования техногенного отхода, имеющего стоимость кратную ниже ангидритового вяжущего. При этом в литературе [1] отмечаются высокие физико-химические и физико-механические свойства гидратированного фторангидрита, которые позволяют использовать его для массового производства строительных материалов и изделий.

Учитывая понижение механических показателей ангидритовых композитов при вве-дениипоризующих добавок, дополнительно предложено использовать слабо востребованные в промышленности дисперсных волокон хризотил-асбеста [2, 3], обеспечивающих показатели прочности фторангидритовой композиции на растяжение при изгибе. Кроме того, снижается вероятность перколяции пор в структуре поризованной фторангидритовой матрицы. В тоже время для продвижения более дорогих синтетических материалов, их производители выступают за запрет использования хризотила. Медики, экологи и ученые стран, использующих хризотил, единодушны: контролируемое использование хризотил-асбеста является безопасным для человека и окружающей среды. Имеющиеся месторождения хризотил-асбеста в РФ: Баженовское месторождение (Свердловская область) [4], Киембаевское месторождение (Оренбургская область) [5], Молодежное месторождение (Республика Бурятия) [6]. Материалы на основе хризотил-асбеста применяют в текстильной, химической отраслях, в ракето- и машиностроении, медицине. Учитывая, что элементарные асбестовые волокна 7-го сорта схожи по диаметру и структуре с углеродными нанотрубками. В работе они были использованы в качестве микроармирующей составляющей, которая усиливает межпоровые перегородки и исключает перколяцию пор при формировании структуры композиций.

Исследования [7, 8] с использованием щелочного активатора на основе фосфата натрия показали возможность получения затвердевшей фторангидритовой матрицы с прочностью до 35 МПа через 28 дней твердения [9]. Таким образом, показатели прочности находятся на уровне прочности низкомарочных клинкерных вяжущих, а скорость набора прочности соответствует портландцементу.

С целью улучшения теплотехнических свойств предлагалось использовать в качестве сверхлегких заполнителей вспученный перлитовый песок [10, 11]. Исследовалось повышение реологических свойств растворов ангидритовых смесей с использованием поверхностноактивных добавок [12, 13] одновременно улучшающих физико-механические свойства композиций с применением синтетического ангидрита на основе нейтрализации дымовых газов при сжигании каменного угля.

Однако все предлагаемые технологии улучшения поризованных композиций с использованием техногенных сульфатов кальция недостаточно эффективны при воздействии на материалы динамических нагрузок вследствие пониженной ударной вязкости изделий на их основе. В работах [14–16] приводятся исследования, направленные на применение дисперсных волокнистых добавок на улучшение этого показателя. В то же время использование тонкодисперсных хризотил-асбестовых марки 7-350 волокон позволит улучшить показатели ударной вязкости и снизить потери изделий на основе вспученных фторангидритовыхкомпози-ций, армированных асбестовыми волокнами при транспортировке и монтаже на строительной площадке.

Цель исследования - повысить физико-технические показатели поризованной фторан-гидритовой матрицы путем введения хризотил-асбестового волокна.

Материалы и методы исследования

  • 1.1.    Фторангидрит

    Для исследования вяжущих свойств использовали порошкообразный ангидрит, соответствующий ТУ 6-00-05807960-88-92. Гранулометрический состав фторангидрита представлен в таблице 1.

Таблица 1

Гранулометрический состав фторангидрита

Размер сита, мм

20

10

5

2,5

1,25

0,63

0,315

0,14

<0,14

Частный остаток на сите, %

0,7

1,9

6,6

18

10

18,8

11,6

26

6,6

Полный остаток на сите, %

0,7

2,6

9,2

27,2

37,2

56

67,6

93,4

100

Использование фторангидрита – порошкообразного отхода производства ПО «Галоген» при производстве плавиковой кислоты - связано с тем, что в его составе присутствует более 92 % безводного сульфата кальция CaSO 4 , остальное представлено фтористым кальцием CaF2 и карбонатом кальция. Химический состав фторангидрита, %: CaO – 35,0 - 36,5; CaF 2 – 2,2 - 5; SiO 2 – 2,6 - 3,4; Al 2 O 3 – 0,5 - 0,7; Fe 2 O 3 – 0,2 - 0,95; SO 3 - остальное.

Исходя из приведенного химического и минералогического состава при массовом производстве материалов на основе ангидритовых вяжущих вместо ангидрита, получаемого в процессе обжига гипссодержащих горных пород, становится экономически эффективным использование фторангидрита.

Рентгенофазовый анализ фторангидрита показал преобладание в нем растворимого сульфата кальция γ -CaSO 4 (рис. 1).

Рисунок 1 – Дифрактограммафторангидрита

Ренгенофазовый анализ (см. рис. 1) показал наличие в составе фторангидрита растворимого ангидрита, двуводного гипса, оксида кремния и кальцита. Для идентификации использовались дифракционные характеристики ангидрита по данным В. С. Горшкова [17].

Известно [17], что растворимый ангидрит γ - CaSO4 способен гидратировать без присутствия активаторов, но следствие низких показателей прочности он не обеспечивает необходимые физико-механические свойства при производстве изделий. Для обеспечения необходимых показателей вяжущей матрицы требуется активация ангидрита модификации β -CaSO4, в качестве которого в работе использован фосфат натрия.

Ренгенофазовый анализ (рис. 2 а) и ИК-спектральный анализ (рис. 2 б) продуктов гидратации при активизации фторангидрита фосфатом натрия показали формирование двуводного сульфата кальция.

Рисунок 2 – Рентгенофазовый анализ затвердевшего фторангидрита, активированного 3 % раствором фосфата натрия – (а), ИК-спектральный анализ образцов гидратированного фторангидрита при введении 3 % водного раствора Na 3 PO 4 – (б)

Преимущество фосфата натрия в сравнении с другими активаторами заключается в том, что он создает в растворе сильно выраженную щелочную среду, которая способствует поризациифторангидритового раствора при введении в состав композиции газобразователей, таких как алюминиевая пудра [18] и пергидроль.

При введении активатора Na 3 PO 4 в состав фторангидрита обеспечивается уплотнение структуры, вследствие чего увеличивается площадь контактов между новообразованиями на основе кристаллогидратов сульфата кальция, связанные по поверхности аморфной массой, которая дополнительно связывает продукты гидратации [19, 20]. Таким образом, морфология разработанного ангидритового материала в сравнении с контрольным составом имеет более плотную упаковку продуктов гидратации, что и обеспечивает рост прочности активированного фторангидрита.

Анализ затвердевшего фторангидрита, активированного фосфатом натрия при выдержке его в воде в течение 24 ч показал, что коэффициент размягчения составил К р =0,71, что превышает показатель коэффициента размягчения двуводного гипса К р =0,4.

  • 1.2.    Перекись водорода

В экспериментах применяли перекись водорода (пергидроль) 6 % концентрации. Присутствие в растворе солей кальция уменьшает скорость разложения перекиси водорода, поэтому для ускорения разложения использовали фосфат натрия, который повышал рН-среды свыше 7. Механизм разложения перекиси водорода можно выразить при помощи следующей реакции: Н 2 О 2 → H 2 O + O 2 ↑. Необходимо отметить, что наличие ионов двухвалентного железа в составе композиции увеличивает скорость реакции.

  • 1.3.    Хризотил-асбестовое волокно

    В экспериментах в качестве микроармирующей добавки использовался хризотил-асбест марки 7-350 Баженовского месторождения (рис. 3 а) соответствующий требованиям ГОСТ 12871-2013 «Хризотил. Общие технические условия» (рис. 4 а). Волокна хризотила-асбеста представлены гидросиликатом магния 3MgO×2SiO 2 ×2H 2 O. Химический состав приведен в таблице 2.

Таблица 2

Химический состав хризотила-асбеста с Баженовского месторождения

Показатель

Компонент

Химический состав

SiО 2

Аl 2 О 3

Fe 2 О 3

FeO

MgO

CaO

H 2 O+ 105⸰

H 2 O -105⸰

K 2 O + Na 2 О

Содержание, масс. %

42,60

0,65

1,04

0,45

40,77

0,03

13,46

0,95

Следы

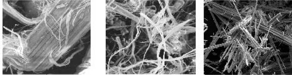
Безопасность потребителей, которая на данный момент является основным ограничивающим фактором применения хризотиловых волокон в строительных материалах, обеспечивается их минералогией и структурой волокон, исключающими неблагоприятными воздействиями на организм человека. Так, структура волокон хризотила, относящегося к группе серпентинов (рис. 3 б), кардинальным образом отличается от структуры трубок асбеста ам-фиболовой группы, которые относят к канцерогенным волокнам (рис. 3 в), что обеспечивает их удаление из легких человека естественным путем при дыхании.

а

б

в

Рисунок 3 – Структура волокон асбеста: (а) общий вид асбестового волокна марки 7-350, увеличение ×6500, (б) хризотил-асбест (из группы серпентинов) в минеральной матрице, увеличение ×6800, (в) волокна амфибол-асбеста, увеличение ×6200

  • 1.4.    Методы исследований

Микроструктура и энергодисперсионная рентгеновская спектроскопия, приведенные на рисунках 5 и 6, выполнялись на сканирующем электронном микроскопе ThermoFisherScientificQuattro S с приставкой для энергодисперсионной рентгеновской спектроскопии EDAX OctaneElectPlus EDS System.

Для определения физико-механических характеристик разработанной композиции (прочности при изгибе и сжатии) готовились образцы-балочки с размерами (40х40х160) мм, которые испытывались на гидравлическом прессе ПГМ-100 МГ4-А с допустимой нагрузкой 100 кН и скоростью нагружения 0,5 МПа/с. Также эти образцы использовались для установления средней плотности композиции и определения показателей водонасыщения.

ИК-спектральный анализ был проведен в области частот 4000-400 см-1 методом инфракрасной спектроскопии на ИК-Фурье спектрометр IRAffinity-1. Рентгенофазовый анализ композиции проведен на дифрактометре общего назначения ДРОН-3 с использованием метода порошка. В качестве катода рентгеновской трубки использовали кобальт.

Коэффициент теплопроводности композиции определялся на измерителе теплопроводности ИТС-1 стационарным методом. Дисперсность добавок исследовалась на лазерном анализаторе размеров частиц SALD-7500 nano.

  • 1.5.    Приготовление композиций

В таблице 3 приведены рассматриваемые композиции.

Таблица 3

Состав композиций

Состав композиции

Фторангид-рит, %

Фосфат натрия, %

Хризотил-асбест марки 7-350, %

Перекись водорода, %

Вода, %

Жидкое натриевое стекло, %

Состав

66

2

2

10

21

0

Состав

61

2

2

9

11

15

Состав

60

2

2

9

10

18

Композиции изготавливались на основе фторангидритового вяжущего, процесс приготовления которого включал в себя:

  • 1.    Механоактивация фторангидритового порошка помолом в истирателе ИД-200 совместно с хризотил-асбестом марки 7-350;

  • 2.    Подготовка 3%-ного водного раствора фосфата натрия. Превышение этой концентрации приводит к увеличению прочности, но в то же время к высолообразованию на поверхности затвердевшего материала [21].

  • 3.    Приготовление фтоангидритовой композиции затворением 3%-ным водным раствором фосфата натрия.

  • 4.    Вспучивание фторангидритовой матрицы 6%-ным раствором перекиси водорода.

Результаты исследований и их обсуждение

Традиционная технология поризации вяжущих матриц с использованием алюминиевой пудры имеет сложную технологию вследствие необходимости технологических переделов для приготовления эмульсии с сульфанолом. Применение в качестве газообразователя перекиси водорода исключает приготовление эмульсий, но в случае поризации гипсовых и ангидритовых составов необходимо создание щелочной среды. В случае приготовления фто-рангидритовой композиции в качестве активатора использовали фосфат натрия, который в то же время повышает рН среды, что способствует интенсивному газообразованию вследствие разложения перекиси водорода до воды и кислорода. Но в то же время процесс газообразования идет с большой скоростью, что приводит к схлопыванию (перколяции) пор, при этом формируется неоднородная структура композиции. Для стабилизации поризованной фторан-гидритовой матрицы использовали микроармирующую добавку на основе коротковолокнистого хризотил-асбестового волокна марки 7-350, маловостребованного в промышленности.

а                                       б

Рисунок 4 – Структура поризованного фторангидрита, увеличение ×35 (а), асбестовые волокна в межпоровой перегородке, увеличение ×175 (б)

Хризотил-асбестовое волокно в силу высокой дисперсности равномерно распределяется в межпоровых перегородках стабилизируя пористую структуру композиции (рис. 4 а), имеет хорошее сцепление с вяжущей матрицей (рис. 4 б, 5 а). Отмечается вторичная кристаллизация новообразований в порах на поверхности асбестовых волокон (рис. 5 б) в процессе гидратации фторангидрита. Новообразования на основе двуводного гипса обеспечивают дополнительное сцепление с хризотил-асбестовым волокном, обеспечивая прирост прочности и стабилизацию структуры композиционного материала.

а

Рисунок 5 – Характер сцепления ангидритовой матрицы с асбестовым волокном, увеличение ×200 (а), вторичная кристаллизация новообразований в порах на поверхности асбестовых волокон, увеличение ×6907 (б)

б

Энергодисперсионный рентгеновский микроанализ поверхности асбестового волокна, покрытого фторангидритовой матрицей (рис. 6), подтвердил наличие на поверхности волокон асбеста кальция Ca и серы S.

Yakovlv_09122025 | Asbest | Area 1 | Selected Area 1

6.93 К

О

Ka

6.16K

5.39K

S Ka

Са Ka

Element

Weight %

O K

41.20

Na K

2.24

Mg K

0.40

Si K

6.72

S K

20.54

Ca K

28.90

4.62K

3.85K

Рисунок 6 – Энергодисперсионный рентгеновский микроанализ поверхности асбестового волокна, покрытого фторангидритовой матрицей

Физико-механические свойства фторангидритовой композиции, армированной хризотил асбестовым волокном, приведены в таблице 4.

Таблица 4

Физико-механические свойства фторангидритовой композиции

Показатели свойств Состав композиции Ф/А+Н2О2+Na3PO4+ FeSO4+Х/А Ф/А+Н2О2+Na3PO4+ Х/А+Ж/С(15 %) Ф/А+Н2О2+Na3PO4+ Х/А+Ж/С(18 %) Средняя плотность, кг/м3 870 800 1056 Прочность при сжатии, МПа — 0,64 1,14 Теплопроводность, Вт/м°С 0,086 0,18 0,26 где:
  • -    Ф/А - фторангидрит;

  • -    Х/А - хризотил-асбест марки 7-350;

  • -    Ж/С - жидкое натриевое стекло.

Заключение

Утилизация техногенного ангидрита, получаемого при производстве плавиковой кислоты, позволяет получать изделия с прочностью, сопоставимой с низкомарочным цементом. Однако уровень теплотехнических характеристик при поризации фторангидитовой матрицы ограничивается перколяцией пор при формовании изделий, создавая неоднородную структуру пор и вследствие этого существенно снижая механические и теплопроводность материала. Введение в состав композиции хризотил-асбестового волокна нивелирует отмеченные недостатки поризованной композиции, улучшая ее физико-технические показатели. Достигнут показатель теплопроводности композиции в зависимости от средней плотности, соответствующий (0,18–0,26) Вт/мoС. Проведенные физико-химические исследования поризованной композиции показали совместимость асбестового волокна с фторангидритовой матрицей. Отмечается вторичная кристаллизация новообразований на поверхности волокон асбеста, что способствовало стабилизации структуры фторангидритовой матрицы и исключило перколяцию пор,обеспечивая однородность композиции.